施工电梯安装(拆卸)工程安全专项施工方案贵州建工集团有限公司二0一六年四月施工电梯安装及拆卸(工程安全专项)施工方案报审表工程名称:...
第1页共32页编号:时间:2021年x月x日书山有路勤为径,学海无涯苦作舟页码:第1页共32页建筑起重机械设备安装(拆卸)告知书:我单位拟于年...
1物料提升机拆卸专项施工方案工程名称:合肥市滨湖新区金斗路便民服务中心项目(幼儿园)使用单位:河北建工集团股份有限公司设备型号:SSD...
塔机安装拆卸过程中塔机安装拆卸过程中的注意事项的注意事项山东建筑大学(山东富友公司):王积永山东建筑大学(山东富友公司):王积永就...
塔吊安装拆卸施工方案一、工程概况1、工程简介工程名称:郑州铁路职业技术学院,新校区建设宿舍组团2。工程位于郑州市郑开大道与贾鲁河交叉...
四川建强吊装工程有限公司塔机拆卸吊装施工作业方案批准人:审核人:编制:1、工程概况1.1、工程名称:1.2、工程特点:本塔式起重机,该机...
2013年新增6400吨茅台王子酒制酒技改工程及配套设施——9#、11#制酒生产厂房塔吊方案塔吊安装及拆卸施工方案一、工程概况本工程为贵州茅台...
滚动轴承的拆卸1.拆卸轴承与轴为紧配合、与座孔为较松配合时,可将轴承与轴一起从壳体中拆出,然后用压力机或其他拆卸工具将轴承从轴上拆下。...
吊篮安装及拆卸施工工艺高处作业吊篮系统施工(安装、拆卸)方案工程名称建设单位设计单位监理单位施工单位方案编制方案审核审批意见一、吊...
南京久大路桥建设有限公司起重吊装专项方案旺宝路建设工程起重吊装专项施工方案编制人:审核:批准:年月日一、工程慨况旺宝路位于麒麟科技...
判断(B)56、手持式Ⅰ类电动工具,在防止触电的保护。。。。。(B)69、冬期爆破施工离建筑物100米,距高压100米。。。。。(B)71、警告...
CA504房屋建筑工程工程专项施工方案及安全验算结果报审表工程名称:编号:________________致:(监理单位)我方根据施工合同的有关规定已...
天府商务综合楼物料提升机施工方案天水市第一建筑工程公司二○一三年四月二十四日天水市第一建筑工程公司物料提升机安装与拆除方案目录1.工...
物料提升机安拆方案施工单位:编制人:审核人:编制日期:2011年12月30日目录一、工程概况二、编制依据三、作业人员组织和职责四、施工升降...
组装和拆卸业务的处理小型-服务支持黄庆明2009年10月30日组装业务说明:有些企业中的某些存货既可单独出售,又可与其他存货组装在一起销...
台钻的拆卸与装配学校:平顶山工业职业技术学院专业:焊接技术及自动化班级:13级1班姓名:李尚学号:20132001102日期:2014年10月目录第1...
NoticeN°813ANPrintDate:June,04LastUpdated:Feb2002Page1/29DISASSEMBLYREASSEMBLY拆卸与重装D5LL1.GENERALRECOMMENDATIONS概述31.1Disas...
台虎钳拆卸装配姓名:赵瑞生专业:焊接技术及自动化班级:焊接1班学号:20132001098第1页目录第1章:作业前的准备············...
门座起重机拆卸、安装施工方案项目名称:MQ***起重机拆卸、安装拆卸、安装单位:**有限公司方案编号:编制:日期:审核:日期:批准:日期:**有限...
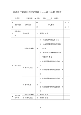
第一单元发动机课题三:整车拆卸发动机一.组织教学1.清点人数,检查工装,是否符合标准2.复习旧课,讲述新课。二.教学目的1.掌握发动机...

