钢筋焊接网施工技术1 、拟定多个钢筋焊接网的规格、尺寸和数量根据设计规定,结合加 工、运输、吊装等设备条件,具体制订多个钢筋焊接网的...
焊接应力的分类 1. 焊接应力的分类 焊接过程是一个先局部加热,然后再冷却的过程。焊件在焊接时产生的变形称为热变形,焊件冷却后产生...
SHGD/HBXMB-A.2施工组织设计(方案)报审表工程名称:曹妃甸原油码头及配套设施工程编号 BYCE/CFD-PM-CN-002致 茂名国信石化工程建设监理...
下载后可任意编辑拉结筋焊接及补植筋施工承包协议书甲方:南通华荣建设集团有限公司汇富花苑项目部乙方:就拉结筋焊接施工,经双方慎重协商...
终于改版! 新版焊接工艺系统评估标准(CQ I-15)变化点详解! 焊接作为一个特殊工艺过程,由于其材料特性的差异性、工艺参数的复杂性和...
常见的焊接缺陷 (1 ) 常见的焊接缺陷 (1)未焊透:母体金属接头处中间(X 坡口)或根部(V、U 坡口)的钝边未完全熔合在一起而留下...
常 见 的 焊 接 缺 陷 及 处 理 办法 一、外部缺陷 一)、焊缝成型差 1、现象 焊缝波纹粗劣,焊缝不均匀、不整齐,焊缝与母...
6.1 裂纹 定位焊开裂 熔合线开裂 端部拐角开裂 弧坑开裂 6.2 气孔 母材或焊丝未去氧化膜引起的气孔 气体...
常见焊接缺陷的成因及其防止方法 ①形状缺陷──外观质量粗糙,鱼鳞波高低、宽窄发生突变;焊缝与母材非圆滑过渡。 主要原因是操作不当,...
常见焊接缺陷及防止措施 (一) 未焊透 【1】产生原因: (1)由于坡口角度小,钝边过大,装配间隙小或错口;所选用的焊条直径过大,使熔...
第 1 页 共 1 0 页 常见焊接缺陷产生原因、 危害及防止措施 (供学习参考) 焦作市巨行特种设备有限公司 2 0 1 0 年 5 月...
常见的焊接缺陷 外部缺陷 一、焊缝成型差 1、现象 焊缝波纹粗劣,焊缝不均匀、不整齐,焊缝与母材不圆滑过渡,焊接接头差,焊缝高低不...
常见激光焊接质量问题处理方法
常用焊接英语词汇大全 焊接机器人welding robot 点焊机器人spot welding robot 弧焊机器人arc welding robot 切割机器人cutting ...
在 管 道 安 装 工 程 中 , 经 常 遇 到 转 弯 、 分 支 和 变 径 所 需 的 管 配 件 , 这 些 管 配 件...
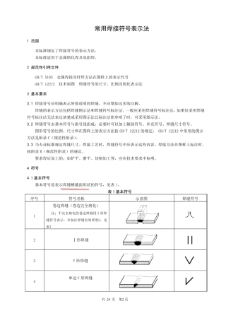
常用焊接符号表示法 1 范围 本标准规定了焊接符号的表示方法。 本标准适用于金属熔化焊及电阻焊。 2 规范性引用文件 下列文件中的条...
共 2 4 页 第 2 页 常 用 焊 接 符 号 表 示 法 1 范 围 本 标 准 规 定 了 焊 接 符 号 的 表 示 方 法...
共 2 4 页 第 2 页 常 用 焊 接 符 号 表 示 法 1 范 围 本 标 准 规 定 了 焊 接 符 号 的 表 示 方 法...
常用焊接标准 标准分类: 综合基础 标准编号: 039 UDC: 主题内容与适用范围 标准号 标 准 名 称 焊接基础通用标准 GB/T3375--9...
附录B (资料性附录) 标注示例 常用焊接标注示例见表B.1。 表 B.1 焊接标注示例 序号 焊接标注示例 说明 1 11 为无气体保护的...

