一.焊接材料与方法选择要求1.焊接材料使用规格表:(表一)表一焊接方法焊接材料等级适用纲级使用接头焊接位置备注手工电弧焊(MW)J422GL...
焊接与切割安全GB9448—1999国家质量技术监督局1999—09—03批准2000—05—01实施前言本标准是根据美国标准ANSI/AWSZ49.1《焊接与切割安...
工程名称第一卷球罐焊接工艺第1章焊前准备:第1节16MnR钢的焊接性分析16MnR钢属低合金钢,供货状态为正火,Pcm>0.25%,具有一定的冷裂倾向...
目录第一章编制说明...................................................................................................................
第二章焊接波纹管的设计计算和生产新工艺新技术第一节概述一、焊接波纹管的结构与类型焊接波纹管是金属波纹管的主要品种之一。它是采用精密...
船体焊接原则工艺规范1范围本规范规定了船体建造过程中船体焊接的焊接前准备、人员、工艺要求、工艺过程和检验。本规范适用于船体建造焊接...
铝合金先进焊接工艺时间:2008-10-1709:04:12来源:作者:一、铝合金焊接的特点铝合金由于重量轻、比强度高、耐腐蚀性能好、无磁性、成形性...
第三章焊接方法与设备焊接方法基本上可分为三大类:熔化焊、固相焊和钎焊。具体的焊接方法有几十种,这一章主要讨论埋弧焊、气体保护焊等一...
焊接工艺评定任务书、方案、报告格式表B.1焊接工艺评定任务书编号:WPS-09-01产品名称管对接焊缝试件应用范围A-Ⅰ,δ=1.5—8mm评定项目20,...
T91与12Cr1MoV异种钢小径管TIG焊接工艺及操作技术发布时间:2009-3-16阅读次数:253次发布人:中华焊工窦怀武1,费永敏2(1.国电靖远发电有限...
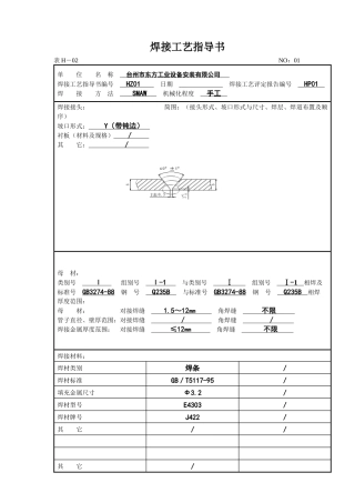
焊接工艺评定报告JB4708—2000编号:HP03材质规格:Q235B.δ=6焊接方法:SMAW+SAW编制:审核:批准:焊接工艺指导书表H-02NO:01单位名称...
钢管抛磨机吸气罩的焊接制作工艺目录摘要和关键词绪论第1章母材的选择第2章焊接方法与设备的选择第3章焊接材料的选择第4章焊接夹具的选择第...
广东新宝电器股份有限公司作业指导书文件名称:超声波焊接工艺标准文件编号:71-02-WI-003生效日期:2011年06月15日版本号:A适用范围:所...
附录A焊接工艺评定报告和焊接作业指导数格式焊接工艺评定报告单位名称:批准人签字:报告编号:日期:焊接方法:机械化程度:手工:半自动...
焊接工艺内容来源网络,由“深圳机械展(11万㎡,1100多家展商,超10万观众)”收集整理!更多cnc加工中心、车铣磨钻床、线切割、数控刀具...
编号:QL-QY-XZ-005青岛大炼油工程轻石脑油改质装置工艺管道焊接监理实施细则项目监理机构(章):监理工程师:总监理工程师:日期:2007.9...
现场设备、工业管道焊接工程施工及验收规范目录第一章总则第一节概述第二节一般规定第二章碳素钢及合金钢的焊接第一节材料第二节焊前准备第...
焊接工艺指导书焊接工艺评定焊接规程焊接作业指导书焊接技术实用资料第一部分焊接工艺评定的使用管理&焊接工艺规程的编制一、焊接工艺评定...
统一编号QEX09000002QQWA43SS1秦山核电二期扩建工程文件名称:奥氏体不锈钢焊接工艺评定工作程序1执行版本日期状态编制审核批准文件类别工...
CO2气体保护焊工艺参数CO2气体保护焊工艺参数除了与一般电弧焊相同的电流、电压、焊接速度、焊丝直径及倾斜角等参数以外,还有CO2气体保护...

