目录摘要 ii第一章绪论 1课题开发布景 11.1.1 选题布景 11.2 讨论现状及开展趋势 1第二章柔性电路板 3概述 32.1 柔性电路板的布...
■b.超滤装置的工作过展沈水融*(丹剤*轸)除盐水工艺流程框图反洗水泵(杀菌剂加药)]原水一原水箱 | 一原水泵一生水加热器一(絮凝剂加...
+C50DDDDDDDDDDDDDDD2DDDDDDDDDDDDDDDDDDDDDDDDDDDDDDDDDDDDDDDDDDDDDDDDDDDDDDDDDDDDDDDDDDDDDDDDDDDDDDDDDDDDDDDDDDDDDDDDDDDDDDDDDDDDDD...
肝素钠生产新工艺流程1
1、原料处理 清洗去除内外污物、和 外部皮质脂肪绞成糜状; 加入3; 再加4; 2、酶解提取 加少量5 调节PH; 加入7; 搅匀后升温;...
粘度 流程走势。。。。 D201—预接触罐(3.4Mpa,10 度,夹套循环水—泵 R200—预聚合(3.4Mpa,20 度,轴流泵, R201—聚合(3.4Mpa...
园林景观工程施工工艺流程1、前期施工在施工准备阶段,对施工现场进行过初步清理。但在施工开始后,遇到一些施工障碍或需要解决的问题;这...
北京市亚太安设备有限公司 1 空调水系统施工工艺流程 一、设备到货后对设备进行开箱检查: 1、 设备名称、型号和规格; 2、 设备有...
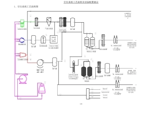
1-6 空压系统工艺流程及设备配置建议 1、空压系统工艺流程图 吹酒糟等对水、油含量无要求的场合微油螺杆机活塞式压缩机无油螺杆压缩机后...
空 分 设 备 工 艺 流 程 培 训 教 材 1 第一章 空分设备工艺流程 第一节 空气分离设备术语 在学习空分设备基本知识之前...
Word 资料2.2 工艺说明2.2.1 工艺特点技术路线为当今应用广泛、技术成熟可靠、经济合理且无腐蚀无污染的分子筛液相法苯烷基化制乙苯生产...
沼 气 发 酵 工 艺 流 程 从 全 社 会 能 源 消 费 与 供 给 的 发 展 趋 势 , 随 着 工 业 化 发 展 进...
离子膜烧碱的生产分析 —离子膜法液碱质量检测 一、离子膜液碱生产的工艺流程 二、离子膜液碱的检测项目 0 9 工分 徐然 一、 产品...
1 福建省制浆造纸行业工艺流程规范导引(试行) 造纸行业是国民经济和社会事业发展的重要基础原材料产业,同时也是植物资源消耗高,能源...
目录 一、碳酸饮料简介.................................................... 1 1.1 碳酸饮料的种类 .................................
碳 酸 锂 生 产工艺流程 碳 酸 锂 生 产 工 艺 流 程 是 将 锂 精 矿 进 行 转 型 焙 烧 、 酸 化 焙 烧 、...
石 景 山 第 二 小 学 教 学 楼 抗 震 加 固 工 程 施工组织设计 编制人: 审核人: 北 京 安 达 信 固 工 程 ...
石 景 山 第 二 小 学 教 学 楼 抗 震 加 固 工 程 施工组织设计 【 编制人: 审核人: 北 京 安 达 信 固 工 ...
7 万 t/a 碳九芳烃加氢装置项目工艺技术操作规程 山东大地鑫盟亿化工有限公司 加氢装置 二O 一一年二月 加氢装置操作规程 编制:...
硫酸法钛白工艺流程简述 ①钛铁矿的粉碎 从矿区运回的经过精选的钛铁矿(TiO247%~50%),粒度比较粗,与硫酸不能直接反应,因此用雷蒙磨...

