组装滑轮组的要领1、确定“n”。根据题意确定由多少段绳子承担动滑轮重力和物体重力。2、确定动滑轮个数。(1)、当 n 为偶数时,动滑轮...
□□□□□□1hVsnG1-兀--Fn543.21000NAF=100N0.2m/s.f2sss=nsvvnv=nvn1F=fnfn=2f=nF=2100N=200Nvv 二—0.2m/s=0.1m/sn22sS=vt=O.lm/s2s=0...
陈村一中2013—2014学年度第二学期八年级物理导学案备课教师辛红琴班级小组姓名自我评价组内评价教师评价课题:第九章第六节测滑轮组的机械...
教科版六年级科学上册要把钢材、木料、水泥等运到楼上通常会怎样做呢?想一想想一想问题:利用一只滑轮来提升物体,你有几种方法?你所使用...
课题:___《11.2滑轮组》____班级:__________姓名:__________作业日期:________________[课前热身]1.如图有一个定滑轮和一个动滑轮请用...
于是人们就把定滑轮和动滑轮组合起来使用,把它们各自的优点结合起来,这样就组成了滑轮组。使用定滑轮的特点是:____________________既可...
保持安静迅速组成3人小组六、测滑轮组的机械效率义马市一中韩东峰教学目标知识与技能•通过实验加深对机械效率和滑轮组的认识;•学会测滑...
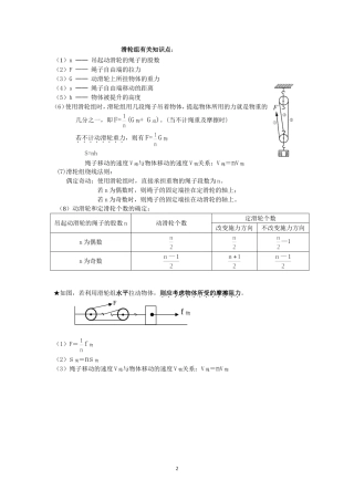
竞赛辅导--“滑轮组用力问题”的分类解法关于“滑轮组用力的问题”,在中考和初中物理竞赛中曾多次考过,有的较难,有的易错.据本人所见....
巧记“口诀”组装滑轮组初中物理教材中,简单滑轮组的组装问题,是学生在学习这一章的一个难点。根据不同的要求,设计与组装滑轮组的方法很...
滑轮习题1.旗杆顶上装有滑轮,升旗时可以省力。()2.滑轮是变形的杠杆,所以使用滑轮不一定省力。()3.使用动滑轮可以省一半力,也能...
杠杆作图(一)(二)、滑轮组作图1.如下图所示的杠杆,请画出杠杆的动力臂和阻力臂.2.如图9所示的钢丝钳,A为剪钢丝处,B为手的用力点,O...
物理公式复习速度公式:v=公式变形:求路程——vts求时间——t=密度公式:ρ=重力与质量的关系:G=mg浮力公式:F浮=G–FF浮=G排=m排gF浮=...
滑轮组有关知识点:(1)n——吊起动滑轮的绳子的股数(2)F——绳子自由端的拉力(3)G——动滑轮上所挂物体的重力(4)s——绳子自由端移...
滑轮组的机械效率[课堂巩固]1.用如图1所示的动滑轮匀速提升物体。如果物体重50N。手拉绳子的力是30N,摩擦可不考虑,那么动滑轮自身重_...
1动滑轮滑轮、滑轮组定滑轮:①定义:中间的轴固定不动的滑轮。②实质:等臂杠杆③特点:不能省力但是能改变动力的方向。④对理想的定滑轮(...
滑轮的计算题基础1.货物上升的速度的公式nvv绳即货物上升的速度为绳子速度的n分之一,n是指绕过动滑轮的绳子根数。2.关于滑轮组的一些公式n...
吉林工贸学校曲轴飞轮组的拆装曲轴飞轮组的拆装王景海王景海一、曲轴飞轮组的拆卸吉林工贸学校1.曲轴飞轮组的拆卸1)将气缸体倒置,用专用工...
滑轮组的组装【知识要点】1.【例题1】【练习】1.【知识要点】3.滑轮组的组装方法:(1)根据公式n=(G物+G动)/F求出绳子的股数。(n取整...
滑轮滑轮组机械效率一、斜面的机械效率二、滑轮(组)的机械效率(一)提升重物问题根据拉力F作用位置不同分为两种情况(二)水平拉动问题...
滑轮和滑轮组东屯镇初级中学张道峰1.杠杆平衡的条件?复习提问复习提问F1l1=F2l22.杠杆可分为那几种?特点是什么?省力杠杆省力,但费距离费力...

