电网技术改造工程预算定额编制说明 第四册 通信工程 册说明 一、《电网技术改造工程预算定额第四册通信工程》(试行)(以下简称本定额)适...
电网技术改造工程预算定额编制说明 第二册 送电线路工程 册说明 一、《电网技术改造工程预算定额 第二册 送电线路工程》(试行)(以下...
总 说 明 一、《电网技术改造工程预算定额》(试行)(以下简称技改定额)共分四册,包括: 第一册 电气工程 第二册 送电线路工程 第三...
电网技术改造工程预算定额编制说明 第一册 电气工程 册说明 一、《电网技术改造工程预算定额第一册 电气工程》(试行)(以下简称本定额)...
定额编码名称单位人工费材料费JQ1-120kV以下油浸式变压器安装 三相 容量(kVA以下) 250台184.537.68JQ1-220kV以下油浸式变压器安装 三相...
1 电线电缆材料定额测算与应用实例 1 电线电缆材料定额计算常用公式 1.1 圆形导体单位长度重量 24nmWdnKN K ...
C.B.11 电气调整试验 (编码:030211) 说明 一、本章内容包括电气设备的本体试验和主要设备的分系统调试。成套设备的整套启动调试按专...
电气设备调试定额
第一章 变压器 说 明 一、油浸电力变压器安装定额也适用于自耦式变压器、带负荷调压变压器及并联电抗器的安 装。 二、变压器的器身检...
清单 1、清单编码:十二位:工程分类顺序码→专业工程顺序码→分部工程顺序码→分项工程顺序码→自编顺序码。 2、安装工程→电气安装工程...
电气设备安装工程定额解释 一、电气设备与材料的划分: 1、设备:凡是经过加工制造,由多种材料和部件按各自用途组成独特结构,具有功能...
总说明 一、第四册《电气工程》(以下简称本定额),包括变配电装置、电缆、架空配电线路、防雷接地、控制装置、配管配线、照明器具、起重设...
电气定额说明 1.装饰灯具安装已综合了灯具安装所需的金属软管和支架的制作安装。 2.工厂灯具及路灯安装项目未包括支架制作 3.工厂厂区内...
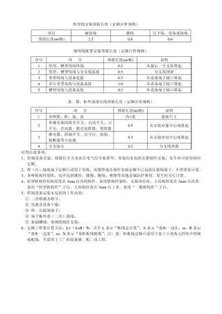
软母线安装预留长度(定额计价规则) 项目 耐张线 跳线 引下线、设备连接线 预留长度(m/根) 2.5 0.8 0.6 硬母线配置安装预留长度...
检修定额分册章节信息章节名称章节名章节名称章节名称章节名称第1章 变压器1.1 变压器综合检修1.1.1 变压器常规检修1.1.2 变压器解体检...
除工程预算定额(第一册 电气)定额号项 目 名 称单 位 基 价 (元) 其 中 (元) 人 工 费第1章 变压器1.1 三相电力变压器拆...
电气安装定额的说明及计算规则(二) 第八章 电缆 说 明 一、本章的电缆敷设定额适用于 10KV 以下的电力电缆和控制电缆敷设。定额系按...
电气安装定额的说明 第一章 变压器 说 明 一、设备本体所需的绝缘油、六氟化硫气体、液压油等均按设备带有考虑。 一、油浸电力变压器...
电气仪表安装工程概预算与定额
序号类别定额编号层数或名称建筑面积或规格 结构类型(装修标准)1 类2 类3 类1 +-0.00以上住宅工程 1-10016以下25000以内内浇外挂结构...

