智能农网配电综合管理系统 技术方案 山东科华电力技术有限公司 2010 年 7 月 山东科华电力技术有限公司 目录 1 建设依据与标准 ...
施耐德电气配电产品选型手册2
施耐德低压配电样本
施耐德低压配电产品选型手册
施耐德PM仪表配电监控系统
施耐德Easy7低压终端配电产品产品目录
施奈德Osmart低压配电产品目录
① 施工准备 ② 土建主体结构 ③ 防雷、接地装置安装 ④ 室内基础沟施工 ⑤ 隐蔽工程验收及接地沟回填 ⑥ 管沟安装 ⑦ 室内照...
1小区配电房综合管理监控系统设计方案2一、总述错误!未定义书签。二、配电房温湿度、视频监控子系统错误!未定义书签工程概述错误!未定义书...
下载后可任意编辑供配电测控保护装置行业分析报告及未来五至十年行业进展报告1下载后可任意编辑目录序言....................................
下载后可任意编辑供配电测控保护装置行业洞察报告及未来五至十年预测分析报告1下载后可任意编辑目录申明....................................
下载后可任意编辑供配电测控保护装置行业市场需求分析报告及未来五至十年行业预测报告1下载后可任意编辑目录绪论............................
建筑供配电系统设计
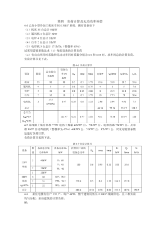
第1 章 绪论 1 第1 章 绪论 建筑工程的电气设计中,需要讲究设计的可操作性、延续性、系统性和整体协调性;并做到设计依据完备,可...
建筑供配电技术练习题参考答案(曹祥红)
课程设计说明书 (2 0 0 9 /2 0 1 0 学年第 一 学期) 课程名称 :建筑供配电及照明课程设计 题 目 :某写字楼建筑供配电...
建筑供配电与照明课程标准 课程编码:021984 课程性质:职业能力必修课 学 分:4 计划学时:64 适用专业:建筑电气工程技术 1.前言...
建筑供配电与照明 课程设计报告 系 别: 专 业: 姓 名: 班 级: 学 号: 指导教师: 成员姓名: 成 绩: 3 目 录 实...
第 4 篇 建筑电气及建筑设备自动化 第 14 章 建筑供电及配电 教学提示:工业与民用建筑,一般是从城市电力网取得高压 10kV 或低...
一 、 电 力 系 统 1、 电 力 系 统 :是 由 发 电 厂 、 电 力 网 和 电 能 用 户 组 成 的 一 个 发 电 ...

