NM6、NM6S系列塑料外壳式断路器PDF
NM1系列塑料外壳式断路器
NM7系列塑料外壳式断路器PDF
NF塑壳断路器
NDB2系列小型断路器(2016版)
2 0 1 6 版NDB1C 系列小型断路器NDB1C 系列小型断路器NDB1C 系 列 小 型 断 路 器▉▉产 品 概 览 ▉▉▉▉▉产 品 特...
12~24kV PIX 配真空断路器 安装、调试、运行和维护说明书 2 关于本说明书的说明 正常使用的环境条件(根据标准CEI60694) 允许...
12KVNEWVD4真空断路器产品说明书
126kV 六氟化硫瓷柱式交流高压断路器 技术规范书 工程项目: 广西电网公司 年 月 1 目 录 1 总则 2 使用环境条件 3 技术参...
110kV~500kV SF6 断路器状态评价导则 (试行) 2010 – 10 – 28 发布 2010 – 10 – 28 实施 ICS 备案号: Q/CSG 中...
北 京 中 达 联 咨 询 有 限 公 司 深圳轨道交通龙华线二期工程西乡及龙塘变电站输电工程 110kV 断路器、隔离开关监造报告 ...
1 标准技术参数 投标人应认真逐项填写技术参数响应表中投标人保证值,不能空格,也不能以“响应”两字代替,不允许改动标准参数值。“投...
110kVSF6瓷柱式断路器(LW30126)说明书2015.12.18
110KVSF6 断路器大修四措 一、工程概况 ××变电站××型 SF6 断路器定于××年×××月××日进行大修,××局变电安装检修工程处在...
目 录 高压真空断路器 ZN12-12 型户内高压真空断路器……………………………………… ZN12-40.5 型户内高压真空断路器…………………...
10kV 柱 上 真 空 断 路 器 技 术 规 范 书 单 位: 批准: 审核: 编制: 年 月 目 录 1. 总 则 2. 引 用 标...
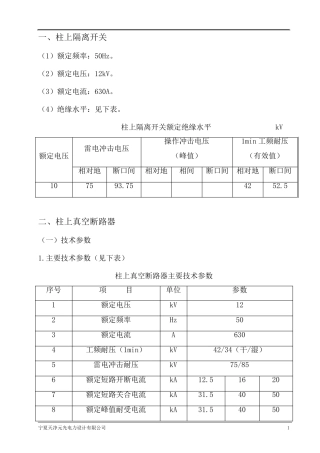
宁夏天净元光电力设计有限公司 1 一、柱上隔离开关 (1)额定频率:50Hz。 (2)额定电压:12kV。 (3)额定电流:630A。 (4)绝缘...
10KV 断路器安装施工四措 一、工程概况 10kV 断路器安装工程即将开始施工,为保证此次工作顺利进行,特制定本措施。 二、组织措施 (...
10kV 户外柱上真空断路器 技术规范书 工程项目: 广西电网公司 年 月 10kV 户外真空断路器招标文件技术规范书 1 目 录 1 总则...
对 应 的 新 标 准 :DL/T 403-2000 中华人民共和国行业标准 10~ 35kV 户内高压真空断路器 DL 403— 91 订货技术条件 中华...

