电脑桌面
添加小米粒文库到电脑桌面
安装后可以在桌面快捷访问

断路器与负荷开关VIP免费

断路器与负荷开关_第1页
1/43
断路器与负荷开关_第2页
2/43
断路器与负荷开关_第3页
3/43
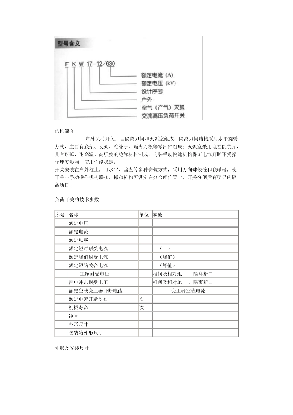
FT2-12/630 型油浸式交流负荷开关 产品概述 FT2-12型油浸式负荷开关适用于额定电压为10kV,额定频率为50Hz的油浸式三相交流电力设备中作双进线配电用的全封闭、预装式的小型变电站中作环网供电负荷开关使用。 型号含义 结构简介 FT2-12/630负荷开关系三相联动机构,主要由开关主体部分和操动机构二部分组成。 开关主部分有绝缘支架、绝缘主轴、静触头以及 V型或 T型触很。操动机构采用旋转贮能弹簧机构,能在 360度方向上作正反四个工位的分、合闸动作。 负荷开关的技术参数 型号 额定电压(kV) 额定电流(A) 额定短路关合电流(kA) 短时耐受电流(kA/S) FT2-12/630 12 630 31.5 16/2 FT2-12负荷开关外形图 订货须知 订货时须注明: a、负荷开关的型号、名称及数量。 b、动触头的形式:V型或 T型(分终端使用和环路使用)。 FKW 17-12 630 户外交流高压负荷开关 产品概述 本产品适用于三相交流 50Hz,额定电压 10kV户外配电系统中,作为开断和关合负荷电流之用,也可作为开断和闭合空载线路、空载变压器电流之用。 本负荷开关配有专用的手电动二用操动机构,以及连杆、联轴器,万向球铰链、支座等安装附件。 型号含义 结构简介 FKW17-12/630户外负荷开关,由隔离刀闸和灭弧室组成;隔离刀闸结构采用水平旋转方式,主要有底架、支架、绝缘子、隔离刀板等零部件组成;灭弧室采用电性能优异,具有耐弧、耐高温、高强度的绝缘材料制成,内装手动快速机构保证电流开断不受操作速度影响,使用性能稳定。 开关安装在户外柱上,可水平、垂直等多种安装方式,采用万向球铰链和联轴器,使开关与手动操作机构联接,操动机构可锁定在分合闸位置上。开关分闸后有明显的隔离断口。 负荷开关的技术参数 序号 名称 单位 参数 1 额定电压 kV 12 2 额定电流 A 630 3 额定频率 Hz 50 4 额定短时耐受电流 kA 16(4s) 5 额定峰值耐受电流 kA 40(峰值) 6 额定短路关合电流 kA 40(峰值) 7 1min工频耐受电压 kV 相间及相对地 42,隔离断口 48 8 雷电冲击耐受电压 kV 相间及相对地 75,隔离断口 85 9 额定空载变压器开断电流 1600kVA变压器空载电流 10 额定电流开断次数 次 20 11 机械寿命 次 2000 12 净重 kg 85 13 外形尺寸 mm 2050x630x660 14 包装箱外形尺寸 mm 3110x690x720 外形及安装尺寸 订货须知 用户订货时应向制造厂提供以下资料: a、负...

1、当您付费下载文档后,您只拥有了使用权限,并不意味着购买了版权,文档只能用于自身使用,不得用于其他商业用途(如 [转卖]进行直接盈利或[编辑后售卖]进行间接盈利)。
2、本站所有内容均由合作方或网友上传,本站不对文档的完整性、权威性及其观点立场正确性做任何保证或承诺!文档内容仅供研究参考,付费前请自行鉴别。
3、如文档内容存在违规,或者侵犯商业秘密、侵犯著作权等,请点击“违规举报”。

碎片内容

断路器与负荷开关

您可能关注的文档

确认删除?
VIP
微信客服
  • 扫码咨询
会员Q群
  • 会员专属群点击这里加入QQ群
客服邮箱
回到顶部