球阀接力器基础螺栓拉拔力不满足设计要求分析处理报告由于发电机组球阀接力器基础螺栓拉拔力不满足设计要求,受总监理指示对此次质量问题发...
XXX 年中国连接器进展商机及投资战略咨询报告第一章 2025-2025 年世界连接器产业进展形势分析 第一节 2025-2025 年世界连接器产业进...
PCBASE 控制电路与连接器测试系统組員:蔡英俊、蕭士閔、姚重褀、曹今馨、張芸珮德霖技術學院機械工程系夜二技在職專班 095A指導老師:諶...
版本修改内容修改人修改日期新增部 门总经办业务部工程部PMC生产部品质部管理部财务部份 数签 署 制 作: 审 核: 核 准:一、目得:...
一、产品介绍:1) 产品特点:转数高,传输速率快,抗干扰,可靠性强,防护等级高,长寿命2) 产品应用领域:军事,航天,工业领域和海底...
预应力筋用锚具夹具和连接器应用技术规程列表标题:JGJ85 锚具夹具连接器技术规程略缩标题:JGJ85 锚具夹具连接器标准正文标题:JGJ85- ...
制程品管制作业办法文件编号制定部门品管部版本A制作日期发行日期页码1/2版次修订内容修订者修订日期核准业务制造管理资材品管1】程制定人...
连接器项目可行性计划投资分析/实施方案摘要连接器通常是指是使导体(线)与适当的配对元件连接,实现电流或信号接通和断开的机电元件,在...
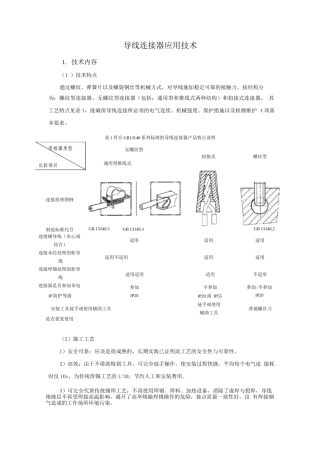
导线连接器应用技术1. 技术内容(1 )技术特点通过螺纹、弹簧片以及螺旋钢丝等机械方式,对导线施加稳定可靠的接触力。按结构分为:螺纹...
光纤连接器得基础知识解析一、光纤连接器得定义光纤连接器就是连接器得一种,也就是光纤通信系统中各种装置连接所必不可少得器件,主要用于光...
版本修改内容修改人修改日期新增部 门总经办业务部工程部PMC生产部品质部管理部财务部份 数签 署 制 作: 审 核: 核 准:一、目...
FC 系列光纤活动连接器与适配器特点采纳标准金属零件,互换性好陶瓷插针,PC、UPC、APC 研磨光缆外径:Φ0、9、Φ2、Φ3适配器可采纳分体与...
中国电连接器行业市场分析及投资风险评估报告20xx中国电连接器行业市场分析及投资风险评估报告 202420xx 年编制单位:北京智博睿投资咨询...
1、目的 22、适用范围 23、定义 24、职责分配 25、流程图 26、程序内容 2动力电池高压连接器技术参数要求 3高压连接器性能要求 4高...
主井齿轮连接器更换安全措施施工准备工作:1、施工的工具、材料要准备齐全,起重梁的施压地点柱要事先立好,并要保证准备的材料工具性能良好...
LED 模块连接器的安全要求IEC62025-05-2《杂类灯座-第 2-2 部分:LED 模块连接器的特别要求》是 IEC 于 2025 年颁布的一个有关 L...
射频同轴连接器项目可行性讨论报告目录概论.............................................................................................
常见射频同轴连接器大全射频信号有自己的特点,所以传输信号需要特别的媒介,而相应连接器也很特别,这里主要介绍常见的射频同轴连接器(RF...
目录第一章连接器总述 2第二章接触接口与接触过程 20第三章接触镀层 32第四章接触弹片材料 62第五章连接器用工程热塑性材料 85第六章...
文件编号: 版本号: 物料类别号钣金 N 型接头连接器类物料类别名称检验镀银腔体共 1 页第 1 页文件号MIC/IQC-00431A类别检验项目...

