电脑桌面
添加小米粒文库到电脑桌面
安装后可以在桌面快捷访问

连接器检验规范

连接器检验规范_第1页
1/3
连接器检验规范_第2页
2/3
连接器检验规范_第3页
3/3
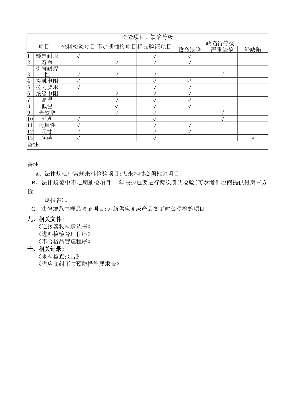
版本修改内容修改人修改日期新增部 门总经办业务部工程部PMC生产部品质部管理部财务部份 数签 署 制 作: 审 核: 核 准:一、目得:明确连接器来料品质验收标准,法律规范检验动作,使检验、判定标准达到一致性。二、适用范围: 适用于我司所有得连接器来料检验。三、检验条件: 3、1 照明条件:日光灯 600~800LUX; 3、2 目光与被测物距离:30~45CM; 3、3 灯光与被测物距离:100CM 以內; 3、4 检查角度:以垂直正视为准±45 度; 3、5 检查员视力:双眼视力(包括戴上眼镜)1、0 以上,且视觉正常,不可有色盲,斜视、散 光等;四、参照标准: 4、1 依照 MIL-STD-105EⅡ 级单次正常抽样标准 CR=(正常抽样 Ac/Re:0/1);MA=0、65;MI=1、5 4、2 依照 MIL-STD-105EⅡ 级单次 S-2 特别抽样标准、 AQL:2、5 抽样五、检验顺序:包装外观尺寸接触电阻绝缘电阻 可 焊 性低温高温拉力额定耐压引脚耐焊性寿命绝缘电阻接触电阻六、检验内容: 6、1 包装箱:包装箱应为一次性包装箱,供应商不可回收,包装箱外应标有物料品名、规格、 数量、生产日期、出货检验合格章及供应商名称;包装上必须标有我司相应得物 料编号,最小包装应无破损、混料现象,在正常储藏条件(温度-5℃~35℃,相 对湿度≤75%)下一年内不能出现因包装不善而导致异常。 6、2 外观:来料本体上要求有厂商或供应商得标识,规格书须标有额定电压、电流,储存得温 度,插座得型号;插座本体无损伤、表面清洁、无明显油污、污迹,成形良好、安 装后可见部分不允许有披锋、破损,允许不明显且不影响安装得披锋,来料颜色、 结构要求与样品一致,孔槽无堵塞、缺针现象,引脚不能出现变形,上锡端子无氧化。 6、3 尺寸:具体得尺寸请按我司相对应得图纸要求,实配 PCB 板应良好。 6、4 接触电阻(导通性):用对应得公母端子相匹配,接触电阻要求≤20mΩ;(测试时公、母端 子必须为我司合格得物料)。 6、5 额定耐压:指插座得导体与绝缘体所可承受得电压,电压要求应小于或等于标称值。 6、6 拉力:被测试线得拉力请根据我司图纸得要求测试,应符合要求。 6、7 绝缘电阻:用 DC500V 直流电阻仪测试应≥800MΩ 6、8 高温: 高温(根据实验物料得额定温度),在烤箱内放置 16h 后,室温放置 1 小时,再测 试结果应无异常。 6、9 低温:低温(根据实验物料得额定温度),在恒温箱内放置 16h 后,室温放置 1 小时,再 测试结果应无异常。 6、10 可焊性:引脚浸入锡炉(245±5℃)约 3...

1、当您付费下载文档后,您只拥有了使用权限,并不意味着购买了版权,文档只能用于自身使用,不得用于其他商业用途(如 [转卖]进行直接盈利或[编辑后售卖]进行间接盈利)。
2、本站所有内容均由合作方或网友上传,本站不对文档的完整性、权威性及其观点立场正确性做任何保证或承诺!文档内容仅供研究参考,付费前请自行鉴别。
3、如文档内容存在违规,或者侵犯商业秘密、侵犯著作权等,请点击“违规举报”。

碎片内容

连接器检验规范

一帆文传+ 关注
实名认证
内容提供者

欢迎光临店铺,各类公文供您挑选。

确认删除?
VIP
微信客服
  • 扫码咨询
会员Q群
  • 会员专属群点击这里加入QQ群
客服邮箱
回到顶部