一、目得要求1.了解往复活塞式压缩机得结构特点;2.了解温度、压差等参数得测定方法,计算机数据采集与处理;3.掌握压缩机排气量得测定...
计量泵和电动往复泵的常见故障及解决方法01 泵不排液或泵排液后中断故障分析:电动机不转动;吸入管堵塞或吸入阀门未开;吸入管路漏...
变频调速技术在油田柱塞式往复注水泵上的节能与应用变频调速技术在油田柱塞式往复注水泵上使用的必要性油田开发过程当中地层能量不断衰减,...
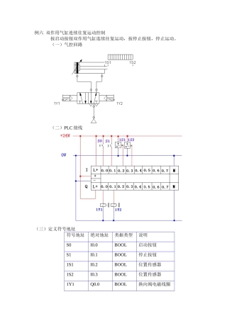
例六 双作用气缸连续往复运动控制按启动按钮双作用气缸连续往复运动,按停止按钮,停止运动。(一)气控回路 (二)PLC 接线(三)定义...
§6-3 往复泵的压头、功率和效率一、往复泵的有效压头二、往复泵的功率三、往复泵的效率一、往复泵的有效压头 位置水头、压力水头和速...
XL-AVZ 汽车线耐往复(弹簧线)刮磨试验机一、概述1. 本试验机适用于检测汽车用聚氯乙烯绝缘低压电缆的绝缘耐磨强度试验,是生产汽车电线...
武汉齐达康往复活塞式天然气压缩机技术资料
使用说明书 沈阳气体压缩机 4M80(68).SY 股份有限公司 4M80-57/21-44-24/44-92 -BX 型新氢压缩机 共 20 页 第 1 页 编 制 ...
往复压缩机介绍 目 录 3. 动设备(往复式压缩机) 3.1 压缩机简介 3.1.1 压缩机的用途 3.1.2 压缩的方法及压缩机类型 3.2 基本...
往复压缩机十字头与活塞杆连接部件简介引言石油化工、煤化工、氮肥等行业中用到的大中型往复压缩机,其十字头与活塞杆的连接部件对于压缩机...
精品文档---下载后可任意编辑长期往复荷载下分层地基基础板的沉降分析的开题报告一、选题的背景和讨论意义地基基础板是建筑工程中的一种常...
精品文档---下载后可任意编辑大型往复压缩机弹性基础的设计及分析的开题报告一、选题背景大型往复压缩机是工业生产中常见的设备之一,其主...
精品文档---下载后可任意编辑P110 油管与 BG140 套管的往复摩擦磨损讨论及管柱完整性评价中期报告尊敬的评委,大家好。我是**,本文是关...
例六 双作用气缸连续往复运动控制 按启动按钮双作用气缸连续往复运动,按停止按钮,停止运动。 (一)气控回路 (二)PLC接线 (三)...
广西科技大学 课程设计(说明书) 液压课程设计 学生姓名 。。。 学院 名称 。。。。。 班 级 。。。。。 指 导 教 师 。。。...
HFRR高频往复仪操作手册
GBT10708.12000往复运动橡胶密封圈结构尺寸系列
全套带图设计,联系,Q Q 1074765680.批量收购高质量设计 全套带图设计,联系,Q Q 1074765680.批量收购高质量设计 全套带图设计,联系,Q...
下载后可任意编辑往复真空泵项目可行性讨论报告下载后可任意编辑目录前言.................................................................
下载后可任意编辑往复泵项目深度讨论分析报告下载后可任意编辑目录序言...................................................................

