蓄能罐式液控缓闭止回蝶阀2200Dx7pk41X-6C使用说明书(清河发电 XX 公司专用)中华人民国洪城通用机械股份目 录一.用途----------------...
电液换向阀与液控换向阀(WEH...amp;WH...20Bamp;50B...)
精品文档---下载后可任意编辑1.5MW 风力发电机组液控技术讨论的开题报告一、讨论背景及意义随着全球能源需求的不断增长,可再生能源逐渐得...
贝克石油工具 贝克HMC 液控滑套 手册号:TU 10421 1 Baker Oil Tools贝克HMC 液控滑套 产品号:H81134 概述 HMC 滑套是一种控...
水轮机进水液控蝶阀运行规程目录11.1 液控蝶阀主要技术参数⋯⋯⋯⋯⋯⋯⋯⋯⋯⋯⋯⋯⋯⋯⋯⋯(70) 11.2 液控蝶阀工作原理简介⋯⋯⋯⋯...
郑 煤 机 ZE07 型 电 液 控 及 工 作 面 自 动 化 系 统 简 介 单 位:郑州煤机液压电控有限公司 通讯地址:河南省郑...
蓄能罐式液控缓闭止回蝶阀 2200Dx7pk41X-6C 使用说明书 (辽宁清河发电有限责任公司专用) 中华人民共和国 湖北洪城通用机械股份有限...
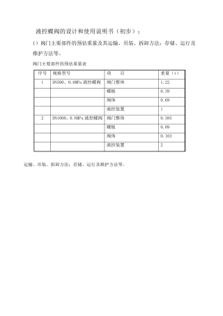
液控蝶阀的设计和使用说明书(初步): 1)阀门主要部件的预估重量及其运输、吊装、拆卸方法;存储、运行及维护方法等。 阀门主要部件的...
液控止回蝶阀
液控节电多功能饮水机设计说明书设计者:邢敏剑周紫君张洪督徐刚指导教师:朱瑞上海电力学院能环学院动力系机械设计专业上海杨浦200090作品...
工程机械HydrostaticsandHydrodynamics液压·液力第43卷2012年10月通转子泵所特有的外转子滑动系数出现极大值的现象,减少了磨损,同时增加...
六期循环泵液控蝶阀六期循环泵液控蝶阀SYYZ145SYYZ145型液压站课件型液压站课件液压站性能参数液压站性能参数蝶阀型号:蝶阀型号:DX7K41X-...
招标编号:BIEE15-SYFJ-062京能十堰热电2×350MW供热机组工程循环水泵出口液控蝶阀招标文件招标人:京能十堰热电有限公司招标代理机构:北京...
第1页共15页编号:时间:2021年x月x日书山有路勤为径,学海无涯苦作舟页码:第1页共15页自动变速器液控系统故障诊断方法自动变速器液压控制...
招标编号:BIEE15-SYFJ-062京能十堰热电2×350MW供热机组工程循环水泵出口液控蝶阀招标文件招标人:京能十堰热电有限公司招标代理机构:北京...
循泵出口液控蝶阀及其油站液控蝶阀及其油站简介液控蝶阀工作原理液控蝶阀的液控原理典型故障及排除方法01020304目录液控蝶阀特性液控蝶阀=...

