电脑桌面
添加小米粒文库到电脑桌面
安装后可以在桌面快捷访问

液控蝶阀使用说明书VIP免费

液控蝶阀使用说明书_第1页
1/13
液控蝶阀使用说明书_第2页
2/13
液控蝶阀使用说明书_第3页
3/13
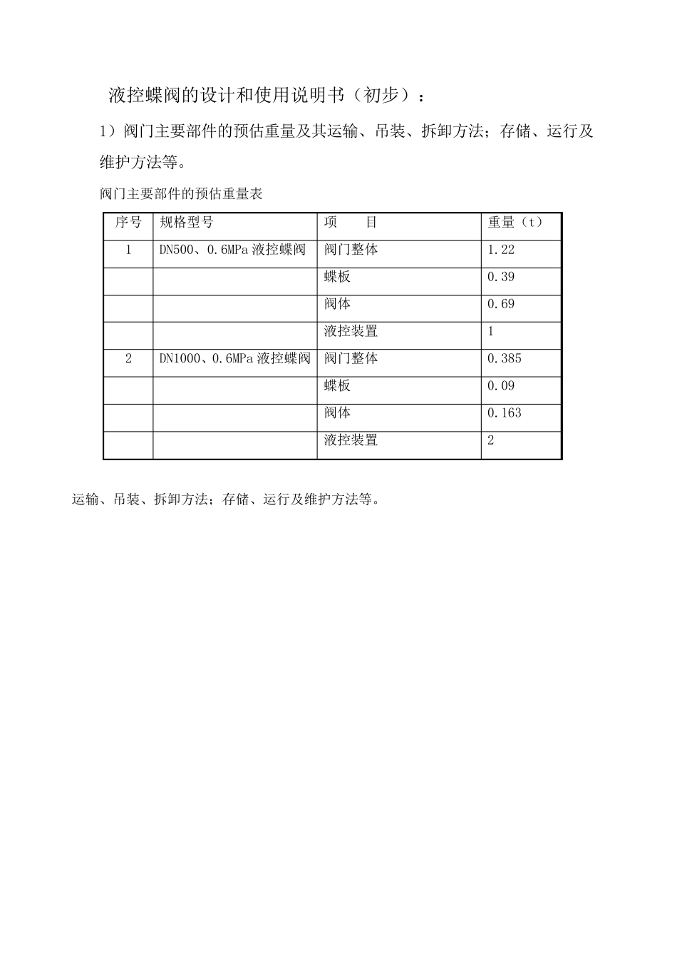
液控蝶阀的设计和使用说明书(初步): 1)阀门主要部件的预估重量及其运输、吊装、拆卸方法;存储、运行及维护方法等。 阀门主要部件的预估重量表 序号 规格型号 项 目 重量(t) 1 DN500、0.6MPa 液控蝶阀 阀门整体 1.22 蝶板 0.39 阀体 0.69 液控装置 1 2 DN1000、0.6MPa 液控蝶阀 阀门整体 0.385 蝶板 0.09 阀体 0.163 液控装置 2 运输、吊装、拆卸方法;存储、运行及维护方法等。 1 吊装及调试维护 吊运 运输起吊时不得翻转、倒放;开箱后用吊车运蝶阀,起吊时注意在四个起吊点中选取平衡位置。大修起吊前,重锤式阀门应将重锤从阀门本体拆下。吊装过程应注意缓慢、平稳、轻放。 储存 本阀长时间存放时,应放于干燥处,封闭二端通道,在加工面涂上防锈油。临时停放时可在外墙板位置增加辅助支撑以保持平稳。半年不安装,液压系统需清洗换油。  本阀禁止露天存放。 安装 安装前应核对本阀铭牌参数是否符合使用要求;清洗阀体内孔及蝶板、检查各部位有无损坏现象,各零部件联接螺栓是否紧固。 正、反装液控蝶阀均按图7 所示安装,即用作水泵出口止回阀或 水轮 机 进 口阀时,水泵或 水轮 机均位于阀门的 无阀杆 侧 。阀门中心 距 水泵出口距 离 应在 2 米 以上,并 尽 可能 大,以减 少 泵出口紊 流 流态 对阀门的 不利 影 响 。若 本阀安装在管 道中的 其 他 位置,应以阀门全 关 实 现密 封时的 管 道介 质 压力 方向 来 确 定 阀门安装方 位,即高 压一 侧 应位于阀门的 有阀杆 侧 。 蝶阀安装在基 础 上应校 正水平,保证 阀轴 不倾 斜 。阀门支脚 及辅助支撑主 要用于保证 阀门安装运行 平稳,不宜 大量 承 受 与 其 垂 直 的 管 道轴 向 水推 力 ;轴 向 水推 力 应通过阀前或 阀后管 道传 递 到 承 重基础 上。 调试 系统各电 液元 件在厂 内均已 调试到 位,若 需现场 调试,主 要注意以下事 项 : All the 检查手 动 启 闭功 能 。  接上总 电 源 ,点动 电 机 观 察 电 机 风 叶 ,顺 时针 旋 转则 接线 正确 。  常 开截 止阀应打 开,常 闭截 止阀应关 闭。  溢 流 阀先 全 部打 开,开阀时慢慢上调,压力 上升 ,最 终 调定 压力 应大于高 压力 开关 KP1 设 定值 1~2MPa。压力 调定 后用锁 紧螺母 锁 定...

1、当您付费下载文档后,您只拥有了使用权限,并不意味着购买了版权,文档只能用于自身使用,不得用于其他商业用途(如 [转卖]进行直接盈利或[编辑后售卖]进行间接盈利)。
2、本站所有内容均由合作方或网友上传,本站不对文档的完整性、权威性及其观点立场正确性做任何保证或承诺!文档内容仅供研究参考,付费前请自行鉴别。
3、如文档内容存在违规,或者侵犯商业秘密、侵犯著作权等,请点击“违规举报”。

碎片内容

液控蝶阀使用说明书

您可能关注的文档

确认删除?
VIP
微信客服
  • 扫码咨询
会员Q群
  • 会员专属群点击这里加入QQ群
客服邮箱
回到顶部