什么是PFMEA PFMEA 是过程失效模式及后果分析(Process Failure Mode and Effects Analysis)的英文简称。是由负责制造/装配的工程师/...
项 目 名 称 Project:项 目 编 号 Project Number:编 制 人 Prepared:(修 订 版 本 REV):采 取 的 措 施 及 完成 ...
过程失效模式及后果分析(PFMEA)
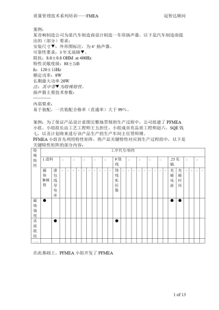
FMEA编号:XXXXXX客户名称: XXXXXX 过程责任部门:SMT&MI&TEST 编制者:版本:A1机型名称: XXXXXX页码: 13核心小组:备注:6员工未戴防静...
公 司 名 称 :工 厂 地 址 :顾 客 名 称 :年 型 /平 台 :人:检查人员按照检验指导书要求检验机体杂质总量;清洗工人...
下载后可任意编辑PFMEA 编制作业指导书12024 年 4 月 19 日下载后可任意编辑编制审核批准实施日期日期日期日期会 签 记 录会签部...
过程责任:关键日期: 严频探风险潜在 潜在重分潜在失效度现行探测测数责任及采取的R失效模式失效后果度类起因/机理过程控制度目标完成措...
PFMEA范例
SJZA02-K211-14-006 1/1 项目名称: K211 过程责任部门:生产部 编制: 车型年/车辆类型: 2015年 关键日期:______________ 零件...
PFMEA编制实施工作指南
过程责任:关键日期:2005/5/10 严频探风险潜在 潜在重分潜在失效度现行探测测数责任及采取的R失效模式失效后果度类起因/机理过程控制度...
PFMEA标准
编 号: 版本/修改:A/0 PFMEA 编制作业指导书 页 次:1/8 编制 审核 批准 实施日期 日期 日期 日期 会 签 记 录 会签部...
PFMEA第五版示例
客 户 名 称产 品 型 号过 程 名称过 程 步 骤( 工 位 编号 和 关 注要 素 名称 )作 业 要 素4M过 程 名 称...
PFMEA案例
第 1 页,共 10 页 过程 功能 要求采取的措施SODRPN严重破坏品质缺陷、导致客户投诉和拒收61、材料供应商管理失控2、供方发货失误21...
过程流程图,控制计划,PFMEA培训--PTSQE课程目的1.熟悉过程流程图、控制计划、PFMEA的含义。2.规范对过程流程图、控制计划、PFMEA的编制,熟...
宁波技嘉科技有限公司PFMEA管理规定受控状态:文件编号:IPE-006版本:1.1编制审核批准熊明华陈晶鑫陈德修2017年12月11日发布2017年12月11...
备注:1项目:根据过程所属的系统、子系统或零部件进行分类,包括名称和编号。2年型/车型:汽车的年型或车型(非汽车零件时用产品替代)3核...

