学习情境六:用复合循环指令加工零件学习情境用复合循环指令加工零件参考学时教学内容1.复合固定循环指令的加工原理; 2.复合固定循环指...
G71 内(外)径粗车复合循环运用这种复合循环指令,只需指定精加工路线和粗加工的吃刀量,系统会自动计算粗加工路线和进给次数。注意:①G7...
车床编程实例十二: 内径粗加工复合循环编制图 3.3。28 所示零件的加工程序:要求循环起始点在 A(46,3),切削深度为 1。5mm(半径量)...
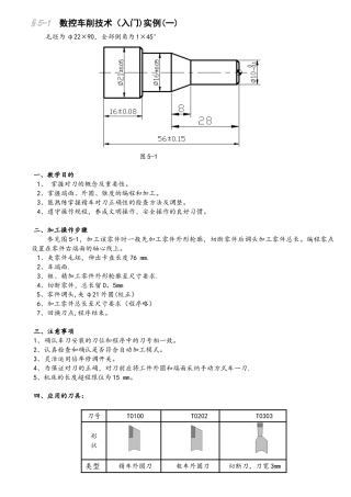
§5-1 数控车削技术(入门)实例(一) 毛坯为 ф22×90,全部倒角为 1×45°图 5-1一、教学目的1、 掌握对刀的概念及重要性。2、掌握端...
G71,G70 编程指令就是数控车最常用,也就是最方便得指令,一般零件得轮廓都可以用G 71 编程开粗程序,G70 作为精加工程序,所以这两个...
《掌握 G71(I 型)、G70 代码的功能、格式和循环轨迹》课题《掌握 G71(I 型)代码的功能、格式和循环轨迹》授课时间授课时数 4 课...
G 71 内外圆粗车循环指令 一、 场地安全: 1、强调实习课堂安全要求; 2、上机安全操作规程。 二、 教学目的: 知识目标:1、了解...
G71,G70编程指令是数控车最常用,也是最方便的指令,一般零件的轮廓都可以用G71编程开粗程序,G70作为精加工程序,所以这两个指令也可以理...
G71,G70编程指令是数控车最常用,也是最方便的指令,一般零件的轮廓都可以用G71编程开粗程序,G70作为精加工程序,所以这两个指令也可以理...
内、外圆粗车循环指令编程(G71/G70)数控车床复合形状固定循环指令编程ABCDABCD问:加工圆柱面时使用G90指令的格式是什么?答:问:格式问:G...

