电脑桌面
添加小米粒文库到电脑桌面
安装后可以在桌面快捷访问

G71循环指令编程十例

G71循环指令编程十例_第1页
1/23
G71循环指令编程十例_第2页
2/23
G71循环指令编程十例_第3页
3/23
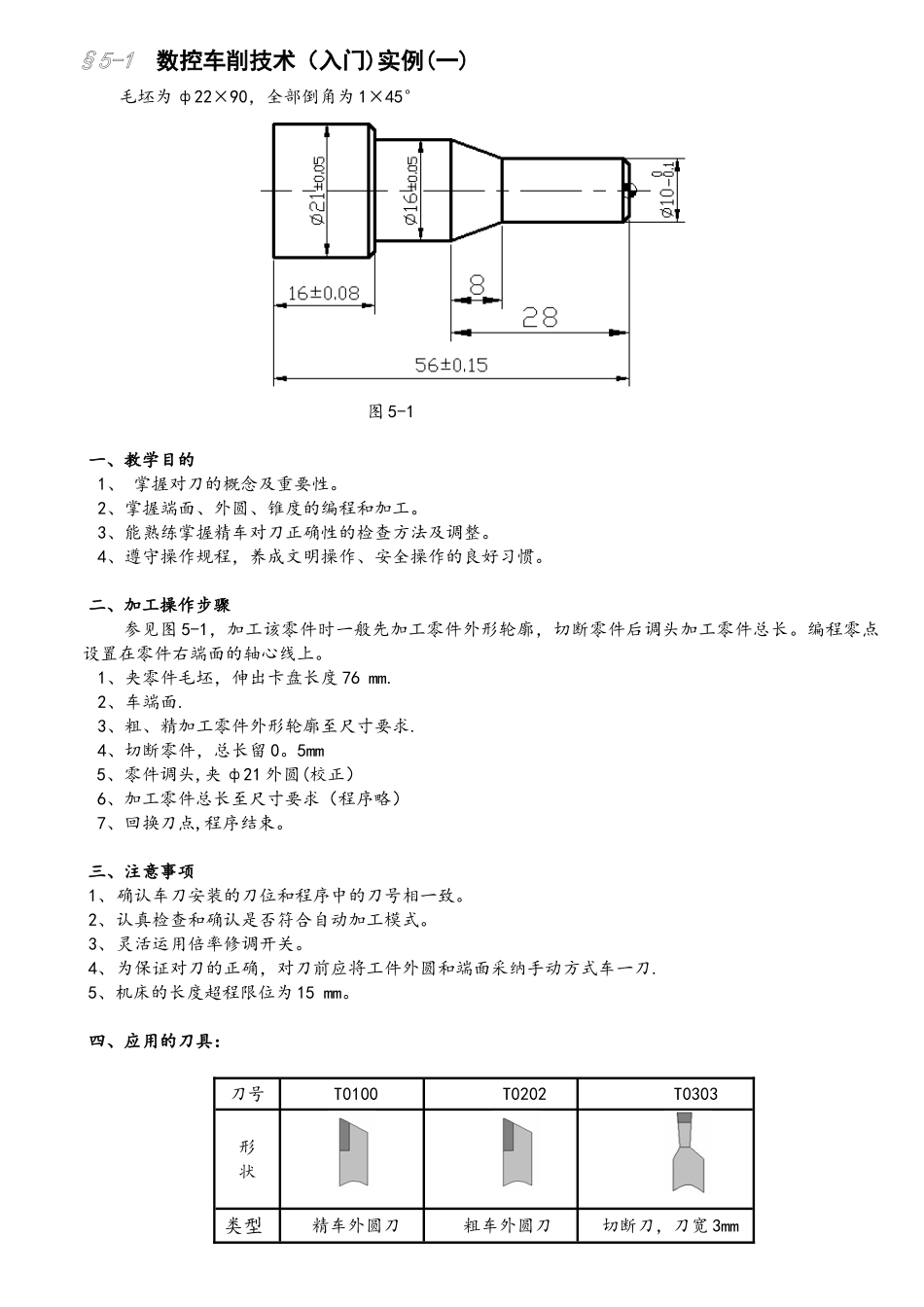
§5-1 数控车削技术(入门)实例(一) 毛坯为 ф22×90,全部倒角为 1×45°图 5-1一、教学目的1、 掌握对刀的概念及重要性。2、掌握端面、外圆、锥度的编程和加工。3、能熟练掌握精车对刀正确性的检查方法及调整。4、遵守操作规程,养成文明操作、安全操作的良好习惯。二、加工操作步骤参见图 5-1,加工该零件时一般先加工零件外形轮廓,切断零件后调头加工零件总长。编程零点设置在零件右端面的轴心线上。1、夹零件毛坯,伸出卡盘长度 76 mm.2、车端面.3、粗、精加工零件外形轮廓至尺寸要求.4、切断零件,总长留 0。5mm5、零件调头,夹 ф21 外圆(校正)6、加工零件总长至尺寸要求(程序略)7、回换刀点,程序结束。三、注意事项1、确认车刀安装的刀位和程序中的刀号相一致。2、认真检查和确认是否符合自动加工模式。3、灵活运用倍率修调开关。4、为保证对刀的正确,对刀前应将工件外圆和端面采纳手动方式车一刀.5、机床的长度超程限位为 15 mm。四、应用的刀具: 刀号T0100T0202T0303形状类型精车外圆刀粗车外圆刀切断刀,刀宽 3mm材料YT30YT5YT15参考程序:O0233 ;N10 G50 X80 Z20; 设定坐标系(起刀点)N20 M3 S02 T0100; 调用粗车刀,主轴低低速正转N30 G00 X22 Z2; 快速定位,接近工件N40 G71 U2 R1 ; 每次进刀量 4mm(直径)退刀 1mmN50 G71 P60 Q140 U0。2 W0.2 F100; 对外轮廓粗车加工,余量 X、Z 方向 0.2mmN60 G00 X8;N70 G01 Z0 F60 ;N80 X10 Z—1; N60~N140 为精加工外形轮廓程序群N90 Z—20;N100 X16 Z—28; N110 Z—40 ;N120 X19;N130 X21 Z—41;N140 Z—60;N180 G70 P60 Q140; 精车 G71 外形轮廓N190 G00 X80 Z20; 返回起刀点N200 T0303; 换回切断刀,刀宽 3mmN210 G00 X23 Z—59。8; 快速定位,接近工件N220 G01 X10 F30; 切槽N225 G00 X23N230 G00 Z—59。5 ; 定位N240 G01 X—0.1 F30; 切断N250 G00 X50 N255 Z50 ; 返回起刀点N260 T0100 M05; 换回基准刀,主轴停止N270 M30; 程序结束§5—2 数控车削技术(入门)实例(二) 毛坯为 ф22×65图 5—2一、教学目的1、 掌握对刀的概念及重要性。2、掌握端面、外圆、圆弧的编程和加工.3、能熟练掌握精车对刀正确性的检查方法及调整。4、遵守操作规程,养成文明操作、安全操作的良好习惯。二、加工操作步骤。参见图 5-2,加工该零件时一般先加工零件外...

1、当您付费下载文档后,您只拥有了使用权限,并不意味着购买了版权,文档只能用于自身使用,不得用于其他商业用途(如 [转卖]进行直接盈利或[编辑后售卖]进行间接盈利)。
2、本站所有内容均由合作方或网友上传,本站不对文档的完整性、权威性及其观点立场正确性做任何保证或承诺!文档内容仅供研究参考,付费前请自行鉴别。
3、如文档内容存在违规,或者侵犯商业秘密、侵犯著作权等,请点击“违规举报”。

碎片内容

G71循环指令编程十例

您可能关注的文档

文旅传媒+ 关注
实名认证
内容提供者

传播文化,成就未来

确认删除?
VIP
微信客服
  • 扫码咨询
会员Q群
  • 会员专属群点击这里加入QQ群
客服邮箱
回到顶部