新项目启动会管理办法修订记录修改内容修改人批准人发布日期第一章 总则一、目的:进一步有序强化公司新项目启动阶段的工作实施效率,法律...
201 年××××项目 项目启动会报告(模板)南宁公司·廖毅·拟2025 年 8 月目 录前 言...............................................
南宁城市公司中高层人员车务补贴管理办法第一章 总 则第一条 目的为增强企业凝聚力,充分调动中高层管理人员、业务骨干的工作积极性,实...
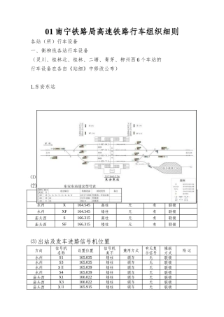
01 南宁铁路局高速铁路行车组织细则各站(所)行车设备一、衡柳线各站行车设备(灵川、桂林北、桂林、二塘、青茅、柳州西 6 个车站的行...
南宁鑫飞鸿物流有限公司网站推广策划书二〇一一年五月十五日第一部分 前 言中国的互联网的进展,从最开始的门户网站引进到个人网站,再到...
南宁职业技术学院学生社团星级评比材料模板及要求(及2025 年 4 月 9 日会长会议记录)南宁职业技术学院学生社团星级评比材料模板及要...
南宁的青秀山作文 400 字篇一:南宁青秀山风景区导游词 南宁青秀山风景区 青秀山大门 青秀山,原名青山,又称泰青峰,位于南宁市东南...
劳 动 合 同 书合同编号:______________甲方(用人单位)名称___________________________________________________法定代表人__________...
蓝灵圣果蓝莓汁南宁市场推广方案目录一、前言二、市场背景三、市场分析(一)行业进展现状(二)产品优劣势分析(三)前景展望四、消费群体...
招标编号: 恒桂招-ZW-NNHF-2025-001 招标文件招标项目:南宁恒大华府小学地块土石方工程发包单位:南宁耀世龙庭房地产开发有限公司招标...
广西壮族自治区南宁市规划馆屋面聚氨酯硬泡保温防水工程施工组织细化方案施工商:广西新西南防水防腐保温科技有限公司日期:2025 年 4 ...
南宁电动车保管费听证 4 月 21 日,南宁市物价局召开电动自行车停放保管服务收费标准听证会,邀请了包括消费者、经营者、专家及政府部...
南宁灌浆料-南宁 CGM 高强无收缩灌浆料(4 页)Good is good, but better carries it.精益求精,善益求善。高强无收缩灌浆料订购拨...
南宁家装公司聘用设计师合同 甲方:___________ 根据《劳动法》、《民法典》及有关规定,甲乙双方遵循平等自愿、协商一致的原则签订本合...
南宁十七中作业检查情况表(10 页)Good is good, but better carries it.精益求精,善益求善。南宁十七中学生作业布置、批阅以及测试...
南宁事业单位劳动合同 甲方名称:_________ 法定代表人:_________职务:_________ 地址:_________ 乙方姓名:_________年龄:_______...
南宁东盟经济园区金融投资合同 甲方:________________ 乙方:________________ 甲乙双方根据《中华人民共和国公司法》等法律法规,本着...
筹划书目录第一章序言 2第二章工程介绍 3第三章社会背景 4第四章企业特色 6第五章企业开展规划 8第六章目标市场 9第七章财务规划 9...
南宁市青秀区长塘镇气象灾害应急预案2025 年 4 月目 录1 总则1.1 编制目旳1.2 编制根据1.3 合用范围1.4 工作原则2 组织体...
保 密 承 诺本商业计划书内容涉及本公司商业秘密,仅对有投资意向的投资者公开。本公司要求投资公司项目经理收到本商业计划书时做出以下...

