完整版钢筋笼加工制作交底
地下钢筋施工方案2 目录1.编制说明. ................................................................................. 31.1.编制目...
1 钢筋施工班组劳务分包合同甲乙方:甲、乙双方本着自愿、平等的原则,经协商一致,签订本合同,以便双方共同遵守。一、合同期限合同期限...
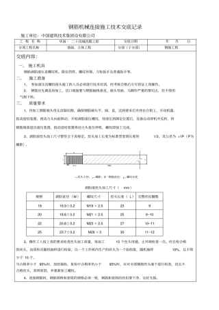
钢筋机械连接施工技术交底记录施工单位:中国建筑技术集团设有限公司工 程 名 称华润 ·二十四城四期工程交底日期年月日分项工程名称基...
四 川 居 正 建 设 工 程 质 量 检 测 鉴 定 有 限 公 司作 业 指 导 书文件编号JZJS/ZY-1-34 编 制钢 筋 扫 描...
技 术 交 底 记 录编号:工程名称交底时间交底提要:钢筋工程交底内容:(包括工程中的关键性施工技术问题;保证工程施工质量的施工方...
1 安全技术交底表 C2-1 编号工程名称交底日期年月日施工单位分项工程名称钢筋作业交底提要交底内容:一、一般安全要求 1、搬运原材料、...
南通四建 ( 项目部名称 )工程钢筋工班组劳务分包同南通四建集团有限公司第二十六建筑分公司南通四建集团第二十六建筑分公司劳务分包合同...
1 钢筋分项工程技术交底一、 钢筋进场及验收1.钢筋进场必须附有《质量合格证》 、《产品准用证》,核对质量合格证与成捆钢筋标牌上标注...
钢筋直螺纹套筒机械连接施工方案编制:审核:审批:中国建筑第七工程局有限公司目录一、编制依据 1二、准备工作 1三、施工工艺 1四、质...
钢筋施工方案钢筋施工方案(一)工程钢筋工程量大,专业工种工程多,技术复杂,像型钢混凝土结构的钢筋节点连接、现浇预应力混凝土,属于新...
篇一:钢筋偏位处理方案(2477 字)一、编制依据(见附表 1)二、工程概况本工程采用桩承台+筏板基础;上部结构为框架或剪力墙。本工程采...
四川金鼎建设工程有限公司 盈嘉大厦工程筏板基础钢筋支撑专项施工方案 盈嘉大厦工程 筏板基础钢筋支撑 施工方案 编制: 审核: 批准...
9 -3 钢筋配料与代换 9 -3 -1 钢筋配料 钢筋配料是根据构件配筋图,先绘出各种形状和规格的单根钢筋简图并加以编号,然后分别计算钢...
图解钢筋工程常见质量问题 图解钢筋工程常见质量问题
图文解说钢筋平法表示实用总结--建筑家园博客钢筋平法实用总结—识图入门一、箍筋表示方法: ⑴ φ10@100/200(2) 表示箍筋为φ10 ,加...
柱钢筋绑扎施工工艺柱筋定位卡示意图柱筋定位卡制作实例图框架柱绑扎柱根部 500mm 范围内做法柱钢筋绑扎施工工艺:1、工艺流程:柱筋绑扎...
条形基础、独立基础、筏板基础钢筋绑扎技术交底(总5 页) -CAL-FENGHAI.-(YICAI)-Company One1 -CAL-本 页 仅 作 为文 档 封 面...
⑴⑵⑶⑷二、梁上主筋和梁下主筋同时表示方法:表示上部钢筋为 3022表示上部钢筋为 2 屮 2表示上部钢筋为 4025表示上部钢筋为 302530...
山东省建设工程质量监督总站监制工程名称金旺嘉园社区隐检项目钢筋隐检日期年月日隐检部位条形基础隐检依据:施工图图号结施-,设计变更/洽...

