附表:自由浮球式蒸汽疏水阀自由疏水阀排水量表 : 型号通径(mm) 最高工作压力不同压差 ( △P) 下的排水量( Kg/h) 0.5 0.2 0.4 ...
自测健康评定量表( SRHMS )(Self-rated Health Measurement Scale Version1.0) 自测健康 是指您本人对自己健康状况的主观评价的...
自杀风险评估量表(NGASR )(医师初诊时评定)1.绝望感1 有2 无2.近期负性生活事件1 有2 无3.被害妄想或有被害内容的幻听1 有2 无4...
Z帕金森综合评分量表(UPDRS)第一部分:精神、行为和情绪(1-4)1、智力影响(0)无;(1) 轻度。如健忘;(2) 中度记忆丧失,定向力障碍,处理...
1 康奈尔医学指数量表 患者姓名_________学历 年龄____ 性别 唇腭裂类型 Ⅰ期/Ⅱ期修复 病案号 家长姓名_________学历 目前年龄__...
1 1.伯格氏平衡量表(Berg Balance Test) 2.Fugl-Meyer 平衡量表 3.简式Fu gl-Mey er 运动功能评定法 4.功能独立性评定(FIM)量...
1 康复评定量表 项目 量表 躯体外观情况 人体形态评定 身体姿势评定 体格评定 身体围度(周径)的测量 心肺功能评定 心功能评定P...
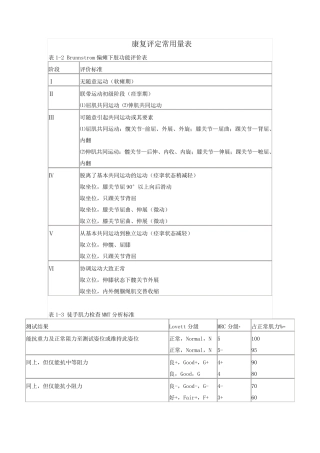
康复评定量表 集 团 标 准 化 办 公室:[VV986T-J682P28-JP266L8-68PNN] 康复评定常用量表 表1-2Brunnstrom 偏瘫下肢功能评价表...
康 复 评 定 常 用 量 表 表 1-1 痉 挛 评 定 量 表 分 级 评 价 标 准 0 级 无 肌 张 力 的 增 加 Ⅰ 级...
康复评定常用量表 表1-2 Brunnstrom 偏瘫下肢功能评价表 阶段 评价标准 Ⅰ 无随意运动(软瘫期) Ⅱ 联带运动初级阶段(痉挛期)...
广泛性焦虑量表(GAD-7) 一、 量表介绍 1、测评方式:自评 2、量表功能:广泛性焦虑量表 GAD-7 是广泛用于临床的量表,用于评估焦虑情...
广东电网公司企业 标 准 广东 电 网 公 司 计 量 表 箱 技 术 规 范 2010-**-**发布 2010-**-** 实施 广东电网公司 发...
平衡功能评定 : 伯格氏平衡量表(Berg Balance Test) 评定标准评定结果第一次第二次第三次1. 坐到站。指令:请试着不用手支撑站起来。...
精心整理姓名:性别:年龄:床号:住院(门诊)号:精心整理诊断:共 50 项,满分 100 分,轻度障碍 75-100 分,中度障碍 50-74 分...
WORD 整理版优质参考资料神经系统评定表姓名:性别:年龄:病案号:项目次1 2 3 4 项目次1 2 3 4 日期日期浅反射上腹壁左原始反射...
精心整理脑卒中专用生活质量量表(SS-QOL )中译本编号:住院号:被调查者姓名:调查开始时间:1.这些问题是关于脑卒中对您精力的影响(3...
简式 Fugl-Meyer运动功能评定法项目评分标准评定结果第一次第二次第三次0 分1 分2 分月日月 日月日Ⅰ上肢坐位1 有无反射活动(1)肱...
武汉大学人民医院湖北省人民医院肩关节功能评价量表姓名性别年龄科别住院号评价人:项目评分标准得分小计1. 疼痛(30分)无 30有时略微疼痛...
肩关节功能评价量表项目评分标准得分小计1. 疼痛(30 分 )无 30有时略微疼痛,活动无障碍 25轻度疼痛,普通活动无障碍 20中度疼痛,能...
肖水源:社会支持评定量表(SSRS) 指导语:下面的问题主要反映了您在社会上所能获得的支持程度。 1.您有多少关系密切,可以得到支持和帮...

