修 改 记 录文件版本 修改日期 修改页次修 改 摘 要修改人 审核人 批准人注:不足时可另加页。内部审核控制程序1.目的验证质量管...
文件更改记录序号更改日期更改内容更改人版本生效日期文件分发范围□总经理 [ ]份 □经营部[ ]份 □技术检验部[ ]份□综合办 [ ]份...
内部审核检查表 公司名称 HTQPR0903-003 GO序号COP 及 支持过程/管理过程过程特性项目(输入/输出)质 量 管 理 体系文件要求 KP...
内 部 审 核 检 查 表过程名称责任部门过程内容过程输入过程输出过程绩效指数IATF16949相关条款检 查 情 况记 录判定不符合状况...
内部审核总结报告审核目的:对本公司现有质量管理体系作全面审核,通过审核确定本公司质量管理体系实施的效果,是否符合规定要求,是否具备...
内部审核实施计划公司名称 HTQPR0903-002 G0 1、审核依据:2、审核范围:3、审核组分工:4、审核日程安排:5、审核报告发布日期及范围:...
内部审核实施计划编号:Q、E、OHS/R B16-02 部门:审核组组长: 组员: 年 月 日 第 页 共 页1、审核目的:2、审核准则: 3、审...
内部审核实施计划8.2.2/4.5.4/4.5.5—01 编号:2025—01审核日期2025.10.16~10.18审核目的审核评价公司质量、环境、职业健康安全管理体系...
1、目的验证质量活动和有关结果是否符合计划的安排,确保产品、过程和质量管理体系的符合性、适宜性、有效性。2、范围适用于本公司范围内所...
审核实施计划编号:WZCXJZ/QR15-02 审核组组长: 组长: 年 月 日 第 页 共 页1、审核目的:2、审核依据:GB/T19001-2000idtISO90...
全国房屋登记审核人员培训考核大纲(2025版)住房和城乡建设部房地产市场监管司 编目 录前 言 .........................................
内蒙古工业大学本科毕业设计(论文)题目审核表学 院土木工程学院系别市政工程系指导老师姓 名云霞专 业给水排水工程职称/学位副教授/硕士...
请贵企业仔细、如实地填写本表,加盖公章后及早寄回本公司,谢谢。(如为选择项目请在方框内打√)供方名称调查时间供方地址成立时间法人代...
住宅小区结算审核常见问题案例分析xxx xxx xxx xxx【案例背景】 某建设单位通过公开招标的方式把一位于市区的住宅小区承包给了一家施工...
某住宅小区结算审核的案例分析【案例背景】某拆迁安置区工程(以下简称该项目)规划建筑面积为 20 万 m2,建设内容包括多层 7 栋,小...
企业安全管理体系定期内部审核记录AQ1.3.5受审核部门审核标准(条款号)审核内容:审核员: 年 月 日审核记录:审核组长: 年 月 日...
从工程结算审核谈工程“变更签证”近几年来,建设工程招投标全面实行工程量清单计价法律规范,承包商根据甲方提供的工程量清单所作的报价一...
1、目的实行产品及制造过程审核,以确保制造过程处于稳定和受控状态。对准备发运的产品进行审核,以确认该产品是否符合技术图纸、检验标准...
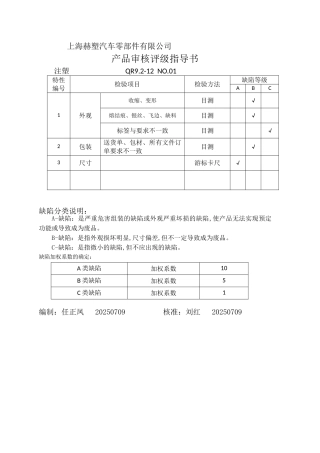
上海赫塑汽车零部件有限公司产品审核评级指导书 注塑 QR9.2-12 NO.01特性编号检验项目检验方法缺陷等级 ABC1外观收缩、变形目测√熔结...
产品审核检查表编号: 序号:产品名称产品批次2025.04.04抽样数量10序号质量特性/额定值缺陷等级加权系数n×f检测结果不合格项数缺陷分数...

