1/4与EMS有关的质量标准/排放标准/防治法的摘要对照-JZ制作2016-06-11环境空气/大气水环境声环境质量标准标准GB3095-2012环境空气质量标准G...
给水管道安装的质量标准项目项目内容质量标准主控项目地管道覆土深度给水管道在埋地敷设时,应在当地冰冻线以下,如必须在冰冻线以上铺设时,...
移动电源测试规范文件名称:移动电源测试规范文件编号:版本号:A0编制:日期:审核:日期:批准:日期:1.目的:为保证移动电源质量及新开...
水果的质量标准序号品名感官质量检测标准劣质质量形态1红富士颜色浅绿、淡黄色为底、有粉红、洋红的条絮状的斑纹,有光泽,果形扁圆、个大...
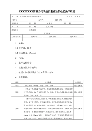
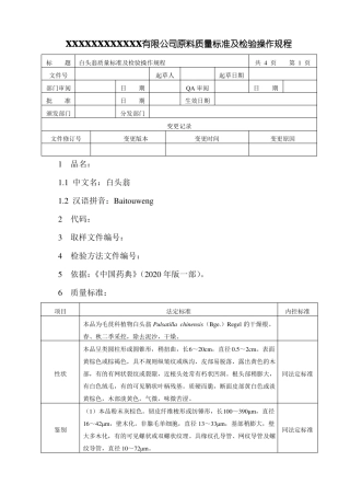
江西隆莱生物制药有限公司SMP-QA004-02第1页共8页1目的:本程序规定了质量标准及检验操作规程制订的原则和内容,以保证质量标准的科学性、...
精品文档。1欢迎下载社区居家养老护理服务质量标准居家养老服务是指政府和社会力量依托社区,为居家的老年人提供生活照料、家政服务、康复...
江西欧氏药业有限责任公司GMP文件1目的:为确保购进物料的质量,强化内控标准的管理,特制定本标准。2范围:适用于公司购进甘油的验收、检...
关于质量标准的调查问卷感谢您在百忙之中抽空来填写我们的问卷。q1:请选择您角色○sa○程序/qa/策划○产品q2:sa质量标准的工作量○工作量...
管道类别Ⅰ(1)毒性程度为极度危害的流体管道;(2)设计压力大于或等于10MPa的可燃流体、有毒流体的管道;(3)设计压力大于或等于4MPa、...
生药质量标准制订与应用生药质量标准制订与应用•生药质量标准是一个国家或地区对药材的质量和检验方法所作的技术规定,是药品生产、供应、...
刺蒺藜提取物中蒺藜皂甙质量标准及检验方法课件•引言•刺蒺藜提取物中蒺藜皂甙的质量标准•刺蒺藜提取物中蒺藜皂甙的检验方法•刺蒺藜提取...
伪狂犬病活疫苗质量标准本品系用伪狂犬病弱毒株接种鸡胚成纤维细胞培养,收获细胞培养物,加适当稳定剂,经冷冻真空干燥制成,用于预防猪、牛及...
主体结构工程质量标准和通病防治措施(钢筋部分)目录一、钢筋的锚固质量标准及通病防治………………………………….2二、墙、柱主受力钢筋...
安保部部服务工作质量标准各岗位职责及工作流程图课件•安保部服务工作质量标准概述•安保部各岗位职责与要求•安保部工作流程图设计与应用...
万科企业股份有限公司广深区域本部GuangshenRegion,ChinaVankeCo.,Ltd.工程技术统一标准编号:VKSR/GCBZ/KA015版号:A/0页码:第1页共130页...
国家质量标准课件目录CONTENTS•国家质量标准概述•国家质量标准的核心内容•国家质量标准的制定与实施•国家质量标准与产业发展•国家质量...
医院洗衣房质量标准要求1.布局合理,通风良好,明确划分污染区和清洁区。a.污染区为收集、分拣、清点、消毒处理及清洗衣物区域,严禁在医疗...
质量标准规定质量体系--最终检验和试验的质量保证模式(一)范围本国际标准规定的质量体系要求,是用于供方证实其在最终检验和试验期间查出...
医院物业服务管理标准目录一、保洁服务1、保洁服务2、洗涤服务3、绿化养护服务4、房屋维修与保养服务5、电梯运行服务6、医疗废物管理服务7...
药材质量标准方法建立1.仪器与材料UV-1601紫外-可见分光光度计(日本岛津AB204-N电子天平(万分之一天平,METTLERTOLEDOBP211D电子天平(...

