第1页共145页编号:时间:2021年x月x日书山有路勤为径,学海无涯苦作舟页码:第1页共145页第一部分无公害蔬菜产地环境及质量标准一、无公害...
第二节餐饮质量标准一、环境及设施标准1、总餐位数与客房接待能力相习惯,通常为1-1.44:12、有布局合理、装饰豪华的中餐厅,至少能提供2种...
环评常用环境质量标准限值表整理
第1页共48页编号:时间:2021年x月x日书山有路勤为径,学海无涯苦作舟页码:第1页共48页一、服务标准1、着装(1)保安员上岗必须着统一制服...
第1页共80页编号:时间:2021年x月x日书山有路勤为径,学海无涯苦作舟页码:第1页共80页目录I.通用部分一、机械通用部分1、紧固件…………...
第1页共13页编号:时间:2021年x月x日书山有路勤为径,学海无涯苦作舟页码:第1页共13页更多资料请访问.(.....)更多企业学院:...../Shop...
word专业资料-可复制编辑-欢迎下载1.0适用范围本工艺标准适用于民用建筑物配管及穿线安装工程。2.0编制依据《建筑工程施工质量验收统一标准...
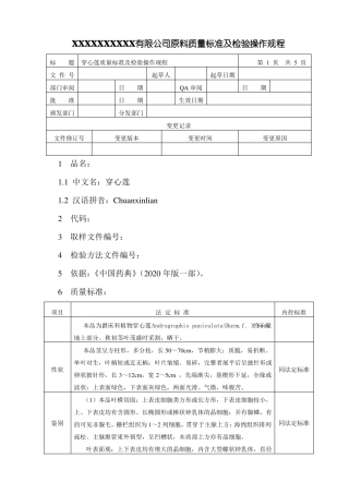
XXXXXXXXXX有限公司原料质量标准及检验操作规程标题穿心莲质量标准及检验操作规程文件号部门审阅批准颁发部门日期日期分发部门变更记录文件...
产品质量标准表产品编号产品名称规格产品尺寸表说明尺寸容差说明尺寸容差说明尺寸容差允许不良水准不良因素A级品B级品C级品产品图不良原因...
目录目录.............................................................................................................................
《室内空气质量标准》编制说明一、制定标准的目的和意义室内空气污染不仅破坏人们的工作和生活环境,而且直接威胁着人们的身体健康。这主要...
环境质量标准GB3095-2012环境空气质量标准GB3096-2008声环境质量标准GB3097-1997海水水质标准GB3838-2002地表水环境质量标准GB5084-2005农...
山茱萸酒制的炮制工艺及质量标准研究一、立项依据(研究意义、国内外研究现状及分析,并附有主要参考文献)(一)研究的目的和意义1.中药...
学问是异常珍贵的东西,从任何源泉吸收都不可耻。一一阿卜•日•法拉兹、质量标准、检测标准、符合国家规范及相关认证针对此次需方采购设备...
第1页共7页编号:时间:2021年x月x日书山有路勤为径,学海无涯苦作舟页码:第1页共7页宁夏职业技术学院实践教学质量标准实习环节质量控制点...
第1页共74页编号:时间:2021年x月x日书山有路勤为径,学海无涯苦作舟页码:第1页共74页金地威新公寓售楼处及首层公共区域精装修工程技术标...
妇炎康复片制备工艺及质量标准的研究摘要目的妇炎康复片是由黄芩、赤芍、陈皮等7味中药组成,临床用于治疗慢性盆腔炎、宫颈炎、阴道炎等妇...
第1页共18页编号:时间:2021年x月x日书山有路勤为径,学海无涯苦作舟页码:第1页共18页(一)通风安全质量标准一、通风系统1、矿井必须有...
1中国水利水电第三工程局有限公司基础建筑分局房建施工处技术质量管理标准批准审核编制21二○一七年四月编制说明根据施工处《关于成立房建...
第1页共9页编号:时间:2021年x月x日书山有路勤为径,学海无涯苦作舟页码:第1页共9页毕业生质量标准素质部分测评表(通信技术专业)一级指...

