2007年第3期承重管道支吊架主要用于支吊管道的重量,分为刚性支吊架、弹簧支吊架。刚性支吊架适用于没有垂直热位移或垂直热位移很小的场合。...
主蒸汽管道支吊架配制与安装检验批施工质量验收表3#机组工程编号:01-01-04-01性质:主控表4.4.1分项工程名称主蒸汽管道支吊架配制与安装序...
中国石化集团兰州设计院标准SLDI333C06-20010新制定全部顾英张彦天郑明峰2002.04.01修改标记简要说明修改页码编制校核审核审定日期2001-01-...
文章编号:CN23-1249(2008)01-0073-05支吊架零部件重量及吊零方式对弹簧选型和管道应力分析的影响李国斌,张书俊,刘玉春(长沙优易软件开发有...
锅炉管道支吊架基础知识锅炉管道支吊架基础知识管道支吊架的基本概念主要内容:一.管道支吊架的基本概念二.弹簧支吊架三.恒力吊架四.限...
产品名称:恒力弹簧支吊架产品介绍:目前,国内外设计、制造的各种型式的恒力弹簧支吊架由于采用了刚度小、无效功率高达65%的GB1239圆柱螺...
优力可抗震支吊架技术规格书1、概述1.1该项目位于广州地区,其抗震设防烈度为7度,设计基本地震加速度值为0.10g;根据《建筑抗震设计规范》...
支吊架制作安装规范1、吊式龙门支架Ⅰ、横梁安装(一)Ⅱ、天花吊顶式Ⅲ、横梁安装吊式龙门支架材料适用表(同时适用于座地式)吊架型材适...
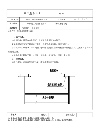
技术交底记录表C2-1编号工程名称亦庄儿童医药器械产业园交底日期2012年11月25日施工单位中铁建工集团有限公司分项工程名称交底提要吊架制作...
支吊架选择支架形式与使用基础(生根)型式P01弯管及水平管道用支架P01-A-1-100-T-1000编号-型号-基础-管径-T/S-高度-(材质,碳钢省略)A...
锅炉汽水管道及支吊架检修规程1设备范围锅炉热力系统中承压汽水管道是指锅炉炉墙外的最高工作压力大于等于0.1Mpa(表压)的蒸汽管道和最高...
架桥机吊架梁施工安全交底编号06第1页共5页工程名称工程里程编制单位接受单位工程项目交底时间交底内容:一、运梁及一般操作技术交底详见吊...
3.1管道支吊架按其主要功能可分为:a)承受管道荷载:1)‘}百力弹簧支吊架;SH/T3073一20042)可变弹簧支吊架;3)刚性支吊架;4)滑动支架;5)滚动支...
合肥开创通信技术有限公司代理松下液晶教育机、商务机、DLP工程投影机及夏普投影机文辉:13856957701设备名称型号规格参数渠道单价备注松下...
施工技术交底单第1页共7页工程名称中银大厦交底项目支吊架制作安装交底日期2001年12月6日交底内容为了进一步保证支吊架的制作安装质量,确...
管道支吊架设计技术规定SH/P26-2005上海化工设计院有限公司二OO五年三月管道支吊架设计技术规定1、支吊架分类按支架的作用分为三大类:承重...
支吊架设计手册(西北院1983年版本)拉杆计算取值表1.L5花篮螺丝对d=10~48间隙全取用50mm2.L6螺纹接头对d=10~48间隙全取用0mm13.L7环形耳子...
汽水管道及支吊架ICS备案号:Q/CDT大唐桂冠合山发电有限公司企业标准Q/CDT-HSIPCXXXXXXX-2007汽水管道及支吊架检修作业指导书批准:审核:...
11支吊架荷载和埋件王元AVEVA中国2005.11.922课程主要内容�基本功能�设置�逻辑支吊架�支吊架荷载�支吊架预埋件�支吊架模型�临时支吊...
华安工程技术有限公司消防管道支吊架施工方案一、概述苗尾水电站位于云南省云龙县苗尾乡附近澜沧江河段上,电站装机容量1400MW(4×350MW)...

