第一部分的作业第1、10章一、填空*1.我国公路用土依据土的颗粒组成、塑性指标和有机质存在情况,可分为(巨粒土)﹑(粗粒土)﹑(细粒土)...
土方路基验收标准基本要求1)在路基用地和取土坑范围内,应清除地表植被、杂物、积水、淤泥和表土,处理坑塘,并按规范和设计要求对基底进...
湖北理工学院《路基路面工程》课程设计计算书1挡土墙设计计算书1.1计算资料1)对路基边坡进行稳定性验算:路基采用砂性土填筑,边坡崩塌时破...
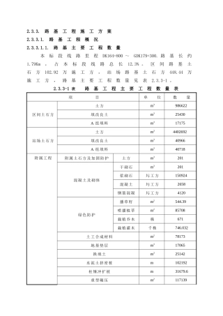
2.3.3.路基工程施工方案2.3.3.1.路基工程概况2.3.3.1.1.路基主要工程数量本标段线路里程DK164+800~GDK179+300.路基长约1.79Km,占本标段线...
2016年度江宁区农村公路提档升级工程杜葛线路基工程施工组织设计编制单位:南京南部路桥工程有限公司编制日期:2016年3月22日目录一、工程...
目录一、工程概况..........................................1二、本次招标内容、工期:..............................1三、质量要求.......
A4道路清表土报验申请表工程名称:赫章县西城区路网及配套设施建设项目二期工程编号:致:贵州中建建筑科研设计院有限公司我单位已完成了西...
福建省高速公路标准化施工指南(汇编)一、路基施工标准化指南(试行)前言近十年来,我国和我省高速公路建设发展迅速,高速公路路基施工技术和...
长益高速公路扩容工程路基土石方工程绿色公路及品质工程创建实施细则一、施工准备(一)计划准备1.在进行全合同段范围的现场调查时,搜集当...
浅谈路基(路面)现场压实度检测方法一、概述(一)路基土的最大干密度和最佳含水量的确定路基受到的荷载应力,随深度而迅速减少,所以路基...
八、初步施工组织计划一、施工组织机构、施工总平面布置图、施工总体进度计划表二、质量目标、工期目标(包括总工期、节点工期)、安全目标...
湖北理工学院《路基路面工程》课程设计计算书1挡土墙设计计算书1.1计算资料1)墙身构造:拟采用浆砌片石重力式路肩墙,如下图所示,墙高H=7....
某高速公路第六合同段施工组织设计建议书为圆满完成某高速公路第六合同段路基土石方工程,根据施工招标文件,在认真阅读和充分理解设计意图...
一、填空题(每题2分,共计20分)1、我国沥青及沥青混合料气候分区采用的指标有:_______、_______和_______。2、影响路基压实的因素有____...
第五章路基工程1第五章路基工程路基工程施工质量验收划分为单位工程、分部工程、分项工程和检验批。单位工程应按一个完整工程或一个相当规...
资源至兴安高速公路工程第4标段路基工程实施性施工组织设计目录1综合说明.................................................................
毕业设计(论文)中文题目:某软土地区铁路线路路基设计学院:北京交通大学专业:土木工程姓名:学号:指导教师:2017年11月5日远程与继续...
路基路面压实度标准《城镇道路工程施工与质量验收规范》一、沥青混合料面层压实度要求1、热拌沥青混合料面层压实度要求道路等级压实度(%)...
五、施工组织设计1.施工组织设计:(1)总体施工组织布置及规划(2)主要工程项目的施工方案、方法与技术措施(尤其对重点、关键和难点工程...
G354娄涟公路改建工程路基土石方施工组织设计路基土石方施工组织设计(K4+000~K5+380)第一章工程概况一、工程简介:G354娄底至涟源公路改...

