课程设计课程设计课程设计课程设计题题题题目目目目路基路面课程设计路基路面课程设计路基路面课程设计路基路面课程设计学院名称学院名称学...
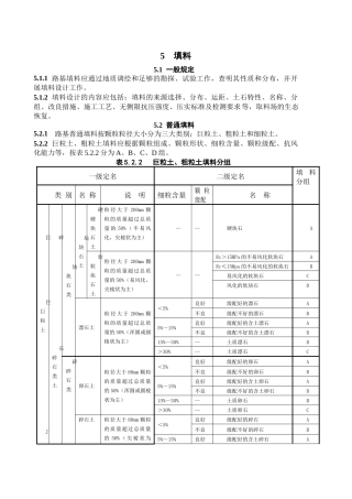
表B.1.2石灰土基(底)层单元工程质量评定表单位工程名称单元工程量分部工程名称检验日期单元工程名称评定日期基本要求项次检查项目质量标...
路基清表施工方案一、工程概况连霍高速(G30)瓜洲至星星峡高速公路XK47+000-K63+800段,全长共16.8公里。本段线路处于荒漠无人区,地势较...
腾公路境外段晋级改造工程〔A5合同段昔董至瓦晓K54+040~K66+800〕一阶段施工设计图〔路基、路面、排水〕二00五年五月3/3/六
海园一路〔下沉隧道〕政工程路基工程监理细那么编制人:审核人:编制日:深圳邦迪工程参谋目录一、工程概况………………………………………...
第1页共56页编号:时间:2021年x月x日书山有路勤为径,学海无涯苦作舟页码:第1页共56页路基土石方施工组织设计编制依据及原则第一节编制说...
平度南京路〔泸州路至锦州路〕筑路及配套工程路基工程监理施行细那么一、工程概况南京路位于平度区西北东西走向规划性质为城次干路设计车速...
××二级公路改建工程〔路基、隧道工程〕监理工作总结××公路工程监理子××二级公路改建工程J2驻地办二零一一年八月子××二级公路改建工...
此资料由网络收集而来,如有侵权请告知上传者立即删除。资料共分享,我们负责传递知识。路基土石方施工合同范本公路路基土石方技术是公路工...
下载后可任意编辑2024年一建考试《公路工程》知识点:路基雨期施工技术1b411014路基雨期施工技术(1)雨期施施工场地段的选择1)雨期路基施施...
《路基路面工程》复习题一、名词解释1.公路自然区划2.路基临界高度3.平均稠度4.路拱5.柔性路面6.刚性路面7.双圆荷载图式8.劲度模量9.累计当...
路基填土试验段施工方案第一章施工组织及总体安排一、项目概况二广高速公路三水至怀集段第二十八合同段起点桩号为YK98+137(ZK98+140.035),...
第30卷,第1期中国铁道科学Vol130No112009年1月CHINARAILWAYSCIENCEJanuary,2009文章编号:1001-4632(2009)01-0008-05青藏铁路道砟层对冻土路...
第4卷第4期2007年8月现代交通技术ModemTransportationTechnologyVo1.4No.4Aug.2007分离式路基设计中若干问题的探讨杨新龙(新疆公路规划...
阳左高速公路阳左段ZB3合同段填土路基试验段施工总结中交第一公路工程局有限公司山西省阳泉至左权高速公路ZB3合同项目经理部2011年3月15日K...
(二)路基设计1、一般路基设计(1)路基宽度1)主线路基本线为设计速度100Km/h的四车道高速公路,主线路基标准路幅宽度26.0米,其路幅构成...
E匝道路基沉降处理方案目录一.工程概述1.1工程概况1.2地质条件二.产生沉降原因分析三.编制依据四.施工准备4.1技术准备4.2组织结构4.3主...
路基填料的最小强度填方类型路床顶面以下深度(cm)最小强度(CBR%)城市快速路、主干路其它等级道路路床0~308.06.0路基30~805.04.0路基...
路基工程施工要点1路基定义、工作深度及层位划分2路基的基本性能3路基材料4路基压实度5路床要求6路基基底处理7原路改造、填挖交界等路段路...
绵阳市园艺新城中心区基础设施完善工程迎宾中路道路工程第1页共8页路基路面设计说明第一部分:路基设计说明一、设计依据路基设计按《城市道...

