精选排水管道闭水试验规定字体大小:大|中|小2010-02-2309:56-阅读:46-评论:01、无压力管道严密性试验1.1、污水、雨污水合流及湿陷土、膨...
中山市古神公路二期工程北段I标排水管道闭水试验施工方案中铁七局集团郑州工程有限公司中山市古神公路二期工程北段I标项目经理部排水管道闭...
1/13水池闭水试验水池施工全部完成后,待砼强度达到100%后进行满水试验。按照《给水排水构筑物施工及验收规范GBJ141-90》要求进行满水试验...
第十讲市政管道闭水试验(无压力管道严密性试验)要求授课人:肖珊珊1试验条件对于污水管道,按照市政施工规程要求,必须再回填前做闭水试...
1/15人防地下室闭水实施方案2/15————————————————————————————————作者:———————————————...
SH/T3503-J410给排水无压力管道闭水试验条件确认与试验记录工程名称:厂区日罐区(1)(2)、燃料油罐区工艺管线工程单元名称:厂区日罐区...
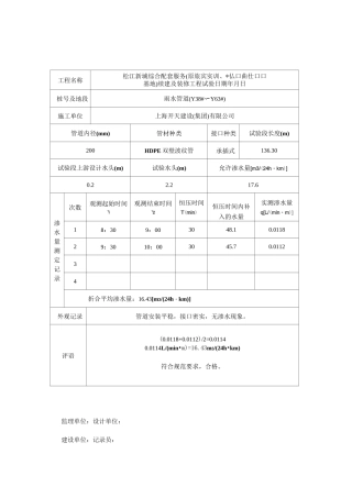
监理单位:设计单位:建设单位:记录员:工程名称松江新城综合配套服务(原旅宾实训、*仏口曲仕口口基地)续建及装修工程试验日期年月日桩号...
闭水试验方案目录第一章编制依据.............................错误!未指定书签。第二章工程概况.............................错误!未指定...
海南清水湾B09区1期1组团6栋高层闭水专项施工方案广州振中建设有限公司二〇一七年十二月目录(一)工程基本情况.............................
1工程概况本项目截污管线工程主要包括:五支沟、六支沟、七支沟、枣凤沟和胜利干渠东段(胜利干渠张采路以东沟段,即张采路至枣凤沟段)截...
第三节安全措施和注意事项错误!未指定书签。第一章编制依据第二章工程概况....第三章管道闭水试验闭水试验方案目录错误!未指定书签错误!未...
污水管道闭水试验施工浅谈佘大旺2009.8.6污水管道闭水试验应在管道回填土前,并先检查和清理管内壁,再检查管道接口和抹带(砼管),这里谈谈...
兽至盛潇甜別讲冈S,富益HI養H氓制®商IB^wicF-口兴胡嵐川腳紬區粥空血遍2017.03.02一、工程概况4二、质量目标4三、工期目标5四、主要施工方...
1工程概况本项目截污管线工程主要包括:五支沟、六支沟、七支沟、枣凤沟和胜利干渠东段(胜利干渠张采路以东沟段,即张采路至枣凤沟段)截...
污水处理工程闭水试验方案2008-05-2914:11:54来源:转载浏览次数:01、大功率潜水泵、胶管:要用于闭水试验时抽水用;2、标尺:主要用于观...
唐山市某供水工程净水厂水池闭水试验施工方案编制:审核:审批:河北省某公司唐山市某供水工程净水厂项目部2008年5月25日一、工程概况........
污水处理工程闭水试验方案1、大功率潜水泵、胶管:要用于闭水试验时抽水用;2、标尺:主要用于观察充水时水位变化情况;3、刻度尺;4、水位测...
第1页共9页编号:时间:2021年x月x日书山有路勤为径,学海无涯苦作舟页码:第1页共9页江铜100Ka/铅冶炼项目动力系统土建工程水池闭水试验施...
第1页共6页编号:时间:2021年x月x日书山有路勤为径,学海无涯苦作舟页码:第1页共6页污水处理工程闭水试验方案2008-05-2914:11:54来源:转...
循环水水池闭水试验施工方案目录第一章、工程概况------------------------------------------------------------------------------------...

