开关电源设计技巧连载二十:开关变压器的工作原理 2-1-1-1.脉冲序列对单激式开关电源变压器铁芯的磁化 为了简单起见,我们把单激式变压...
开关电源设计总结 首先从开关电源的设计及生产工艺开始描述吧,先说说印制板的设计。开关电源工作在高频率,高脉冲状态,属于模拟电路中的...
开关电源芯片通用测试要求和步骤 By Antony Chen 开关电源必须通过一系列的测试,使其符合所有功能规格、保护特性、安规(如UL、CSA、V...
武汉理工大学《电力电子技术》课程设计说明书 课程设计任务书 学生姓名: 专业班级: 指导教师: 工作单位: 题 目: 开关电源设计...
TNY264/266-268TinySwitch-II FamilyEnhanced, Energy Efficient,Low Power Off-line Switcher®Figure 1. Typical Standby Appl...
电脑开关电源维修图解 一颗强劲的CPU可以带着我们在复杂的数码世界里飞速狂奔,一块最酷的显示卡会带着我们在绚丽的3D世界里领略那五光十...
开关电源快修(三) 假负载及降压检修法 开关电源正常与否直接影响其他电路,单i虫检修也是一种好办法。有些电源不能空载,有时候又需要...
开关电源系统稳定性设计分析 稳定的反馈环路对开关电源来说是非常重要的,如果没有足够的相位裕度和幅值裕度,电源的动态性能就会很差或者...
开关电源系统的故障分析与维护 直流开关电源是通信系统的心脏,电源运行质量直接关系到通信网络在线设备的工作质量;保障电源稳定、可靠、...
简介 随着电力电子技术的高速发展,电力电子设备与人们的工作、生活的关系日益密切,而电子设备都离不开可靠的电源,进入 80年代计算机电...
开关电源磁芯尺寸功率等参数 MnZn 功率铁氧体 EPC 功率磁芯 特点:具有热阻小、衰耗小、功率大、工作频率宽、重量轻、结构合理、易表...
开关电源剖析 Anatomy of Switching Power Supplies 第一页 绪论 PC上使用的电源供应器基于名为“开关模式(Switching Mode)”的...
第 1 页 共 13 页 开 关 电 源 考 试 题 一、 通用知识部分(基础知识)、实物知识(共计1 5 0 分) 1 、 单项选择题...
开关电源的用途 开关电源产品广泛应用于工业自动化控制、军工设备、科研设备、LED 照明、工控设备、通讯设备、电力设备、仪器仪表、医疗...
开关电源滤波器设计 一、前言 传导 EMI 是由电源、信号线传导的噪声,连接在同一电网系统中的设备所产生的 EMI会经过电源线相互干扰,...
开关电源的测试项目以及方法 开关电源的设计、制造及品质管理等测试需要精密的电子仪器设备来模拟电源供应器实际工作时之各项特性(亦即为...
对 于 电 源 部 品 认 定 测 试 , 测 试 报 告 要 求 提 供 测 试 数 据 及 结 论 。 来 料 检 可 根 据...
1 开关电源的检修思路和检修方法 7 VccOUT 6PC2PC1D1T1N3C3R3Q1N1C1R1R4P1IFB 3N28 Vref4 Rt/CtN5 GNDR2C2COMP 1VFB 2+5VR6R5D3C...
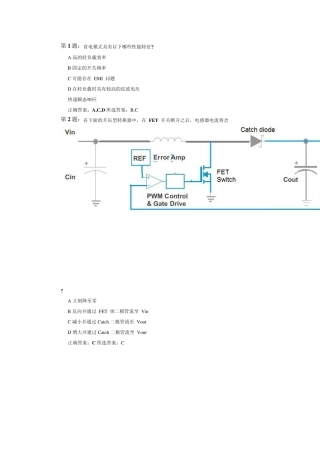
第1 题:省电模式具有以下哪些性能特征? A 高的轻负载效率 B 固定的开关频率 C 可能存在 EMI 问题 D 在轻负载时具有较高的纹波...
第一章 开关电源的基本工作原理 1-1.几种基本类型的开关电源 顾名思义,开关电源就是利用电子开关器件(如晶体管、场效应管、可控硅闸...

