质量通病及防治手册 (第六分册 交通安全设施)临合高速公路建设项目办公室 目 录1 立柱打入常存在的问题..............................
第三节 给排水工程质量通病防治一、土方工程的质量通病及预防措施(一)沟槽开挖质量通病及防治(1) 现象存在边坡塌方、槽底泡水、槽底超...
立式扭工字块预制通病防治措施研究 高风伟 李智璞 冯章玄 刘泽亚 夏可强中交一航局五公司第九项目部【 摘 要】港珠澳大桥西人工岛扭...
精品文档---下载后可任意编辑通病一:土(灰土)桩不密实、断裂现象:桩孔回填不均匀,夯击不密实,密松不一,桩身疏松甚至断裂。措施:填...
质量通病与预防 吊顶工程 过程控制 吊顶工程-1 通病现象: 木工板造型顶90 度转角处无采取加固措施。 原因分析: 项目部对公司的质...
1 合肥市住宅工程质量通病防治实施导则 第一章 总 则 第一条 为了加强建筑工程质量管理,提高住宅工程质量和品质,控制住宅工程质量...
一、地下室防水工程 通病(一):混凝土施工缝渗漏水 1、预防措施 (1)施工缝是防水混凝土工程中的薄弱部位,应尽量不留或少留。底板混...
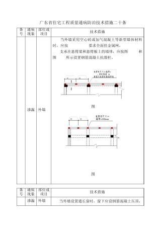
南京市住宅工程质量通病防治导则 1 南京市住宅工程质量通病防治导则 1 总 则 1.1 为提高住宅工程质量,克服住宅工程质量通病,规范...
工程实体通病 1 、沥青路面早期破损、车辙 2 、水泥路面早期断板、开裂 3 、半刚性基层过度开裂 4 、构造物端部路基沉陷 5 、隧...
G316 平梁至涧池段公路改建工程 LJ-2 标段 工程质量通病防治方案 G316 平梁至涧池段公路改建工程LJ-2 标 项目经理部 2016 年 2...
公路工程质量控制要点及质量通病防治手册- 1 - 目 录 第一部分 工程质量控制要点 ·······················...
嘉峪关西戈壁50 兆瓦并网光伏发电项目 -1 - 嘉峪关西戈壁50 兆瓦并网光伏发电项目 质量通病防治方案和施工措施 施工单位:中国能源...
w ord...文件格式精心整理版..... ......内容结构完整...学用共享... 昔阳 30MW 光伏发电项目工程 质量通病防治措施 施工单位(章)...
保 时 捷 维 修 参 考 : 常 见 通 病 整 理 -From 君 浩 汽 车 维 修 技 师 保 时 捷 维 修 不 必 非 去4...
喷淋系统有消防泵房、楼梯间、电梯前室、地下室、屋顶等重点检查部位以及末端试水装置;管道支架、吊架、防晃支架设置等质量关注点质量关注...
住宅防水工程质量通病的预防 随着我国的经济发展和人民生活水平的不断提高,商品住宅的大量开发,越来越多的人圆了“居者有其房”的梦想,...
1 住 宅 工 程 质 量 通 病 防 治 设 计 专 篇 ( 试 行 范 本 ) 一、住宅工程质量通病防治组织机构 为 全 面 ...
1 目 录 一.编制说明.............................................2 二.编制依据.............................................2...
小区名称 住宅工程质量 常 见 问 题 防 治 方 案 及 施 工 措 施 编制人: 职务: 审核人: 职务: 审批人: 职务: ...
住宅工程质量通病防治措施20 条 1.现浇混凝土楼板裂缝 1.1.现浇楼(屋)面板设计厚度不宜小于120mm,厨房、厕浴等不宜小于90mm. 1.2.楼...

