下载后可任意编辑《单据法律规范和填写的管理办法》(草案)为使公司单据填写更加法律规范, 提高工作效率, 特制定以下管理办法。以下凡是...
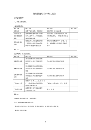
1 控制措施组合的确认报告目的 /背景:一、前提方案的确认1.基础设施确认确认对象确认方式确认结果确认时间车间布局查看平面布局图、现场...
下载后可任意编辑创新药技术转让合同撰写的思路与技巧《中国医药技术经济与管理》第三卷第八期摘要:随着医药行业竞争的日趋激烈,制药企业...
细节描写的方法我们知道记叙文的生命力在于细节描写。我们学生在作文里缺少的不是把某件事写完整的能力,而是缺少细节捕捉描写的能力。这些...
Libraryieee;Use ieee.std_logic_1164.all;Use ieee.std_logic_unsigned.all;Use ieee.std_logic_arith.all;EntityDIV isGeneric (BN...
modbus rtu 协议可以算是一种事实上的工业标准协议,为许多仪表、PLC 等所支持。以前有几个用户问如何使用 VB 编程来与我们的KND-K3 ...
VB 病毒编写的详细教程(2个例子) 说明:本文的两个例子是我收集的最为详细的 VB 病毒编写教程,文章旨在介绍 VB 也能轻松编写计算...
I TMS320C6678 的EMIF16 多核程序烧写 软件使用说明 II 目 录 1 概述 ..........................................................
中 学 数 学 小 论 文 撰 写 的 基 本 策 略 与 方 法李 帆(甘 肃 省 天 水 市 逸 夫 实 验 中 学 ꎬ甘 肃...
下载后可任意编辑作文围绕着母亲节来写的作文母亲节来 1 母亲节不知不觉地就到了,她的脚步走遍了山山水水,这是为了告诉人们母亲的辛劳...
下载后可任意编辑二年级小学生写的作文【导语】作文是小学语文的重要教学内容,是教学的重点与难点,在培育学生思维上发挥极其重要的作用。...
下载后可任意编辑二年级小学生写的日记整理的《二年级小学生写的日记》相关资料,希望帮助到您。 【篇一】二年级小学生写的日记 今日的我...
下载后可任意编辑《事业单位聘用合同》填写的几点说明一:第 2 页“聘用岗位和职责要求”的填写说明:(一)甲方聘用乙方在 1 部门从事...
幼儿园写的自我介绍范文(精选9 篇) 幼儿园写的自我介绍范文篇1 尊敬的各位园长及各位教师: 大家好! 我来自__职业学校。我有过几次实...
1/9环境描写的作用环境描写是指对人物所处的具体的社会环境和自然环境的描写。其中,社会环境是指能反映社会、时代特征的建筑、场所、陈设...
《马刀训练手册》,巴顿 著,易虎 译 以下《马刀训练手册》,由骑兵学校(Mounted Service School)剑术大师(Master of the Sword...
下载后可任意编辑[高考作文怎样写最好]2024 高考作文最好写的 话题作文已连续稳定了四年,受到社会、考生们的普遍好评和欢迎,原因在于它...
作 文 导 学 案 场 面 描 写 怎 样 去 描 写 一 个 场 面 1 、 要 以 人 物 的 活 动 为 中 心 场 面 描...
李 宇 明 . 语 法 研 究 录 . 北 京 : 商 务 印 书 馆 , 2002: 421-434. 原 载 《 徐 州 师 范 学 院...
山东交通学院 C 语言课程设计 推箱子游戏 院(系)别 信息工程系 班 级 信息093 学 号 ********* 姓 名 贺可晓 指导教师 ***...

