人物:媳妇,岳母,吴大媳妇:(唱《回娘家》上场)今日是我****的大寿,我要带上我们家吴大,狗伢子给我妈拜寿去,今日天气好,收拾了一大...
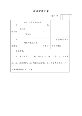
技术交底记录工程名称中心人民医院内科系大楼〔附楼〕施工交底部位地基与根底工程工序名称附楼钻孔灌注桩桩头破除交底提要:一、施工准备;...
人工挖孔桩、静压桩桩头处理技术交底一、人工挖孔桩桩头处理馨昱苑高层住宅 6#-9#楼采纳人工挖孔桩根据设计要求桩头进入承台 100mm 将桩...
灌注桩桩底后注浆施工工艺桩底注浆是通过泵送水泥浆体经桩底将桩周介质劈裂、挤压、渗透、充填、胶结来达到提高桩体承载力,减少沉降量的目...
灌注桩桩径、平面位置和桩身垂直度偏差记录表单位(子单位)工程名称文家市秋收起义陈列馆改扩建工程分部(子分部)工程名称基础分部(桩基子...
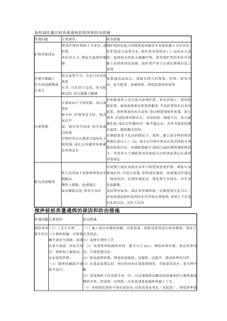
旋挖成孔灌注桩质量通病的原因和防治措施常遇问题主要原因防治措施护筒外壁冒水埋设护筒时周围土不密实,或护筒水位差太大,或钻头起落时碰撞...
中交四航局新会基地5 0 0 0 吨级码头工程 滑道Φ1000 组合桩 水下切割桩头施工方案 编制: 审核: 审批: 中交四航局第二工程有...
精品文档---下载后可任意编辑高速铁路 CFG 桩桩网复合地基受力性状及稳定性分析的开题报告一、讨论背景及意义高速铁路是现代交通领域的重...
精品文档---下载后可任意编辑旋挖灌注桩桩顶超灌高度旋挖灌注桩桩顶超灌高度控制控制*******************有限公司二○一五年一月目录一、工...
精品文档---下载后可任意编辑旋挖灌注桩桩顶超灌高度旋挖灌注桩桩顶超灌高度控制控制*******************有限公司二○一五年一月目录一、工...
精品文档---下载后可任意编辑(中冶长天国际工程有限责任公司,长沙 410007)摘要:抗滑桩及桩板式挡土墙可用于一般地区、浸水地区和地震...
精品文档---下载后可任意编辑摘 要:抗滑桩及桩板式挡土墙可用于一般地区、浸水地区和地震区的路堑和路堤支挡,也可用于滑坡等特别路基的...
精品文档---下载后可任意编辑工程名称:黄田金工路道路与给排水桥梁工程编号:致:长兴县宏泰建设监理有限公司我单位已完成了的施工工作,...
1 双管旋喷桩桩间止水施工方案 一、工程概况 本工程为基坑桩间旋喷桩止水工程,其基坑挡土桩为φ1000 钻孔灌注桩,桩间距为1100,桩外...
QC 成果旋挖灌注桩桩顶超灌高度控制*******************有限公司二○一五年一月目录一、二、工程概况......................................
表 C1-3技术交底记录工程名称国际金融中心基坑支护工程交底部位旋挖灌注桩2018 年 4 月 16 日工程编号HT04FF1500135日期交底内容:旋...
天津大港油田集团审核:测量:记录:年月日序号桩位编号备注第一施工段※严格控制桩位※严格控制桩位※严格控制桩位※严格控制桩位第一施工段...
绿城·千岛明月商住项目二期 11、17#楼人工挖孔桩桩芯砼浇灌方案一、工程概况本工程共计 77 根人工挖孔桩,砼强度等级为 C30,桩径共有...
一、桩尖:一般指预应力管桩的桩尖。二、桩尖的作用。设置桩尖主要目的是为了减少断桩机率,增加桩施打时对土层的穿透能力,主要表现在:1...
1 昆山市 2012 年重点工程——吴淞江挡墙工程监理实施细则(钻孔灌注桩工程)内容提要:专业工程特点监理工作流程监理工作控制目标及控...

