QC 成果旋挖灌注桩桩顶超灌高度控制*******************有限公司二○一五年一月目录一、二、工程概况......................................
表 C1-3技术交底记录工程名称国际金融中心基坑支护工程交底部位旋挖灌注桩2018 年 4 月 16 日工程编号HT04FF1500135日期交底内容:旋...
天津大港油田集团审核:测量:记录:年月日序号桩位编号备注第一施工段※严格控制桩位※严格控制桩位※严格控制桩位※严格控制桩位第一施工段...
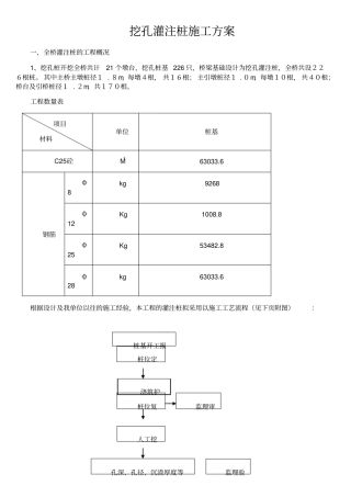
绿城·千岛明月商住项目二期 11、17#楼人工挖孔桩桩芯砼浇灌方案一、工程概况本工程共计 77 根人工挖孔桩,砼强度等级为 C30,桩径共有...
一、桩尖:一般指预应力管桩的桩尖。二、桩尖的作用。设置桩尖主要目的是为了减少断桩机率,增加桩施打时对土层的穿透能力,主要表现在:1...
1 昆山市 2012 年重点工程——吴淞江挡墙工程监理实施细则(钻孔灌注桩工程)内容提要:专业工程特点监理工作流程监理工作控制目标及控...
河南省郑州新区建设投资有限公司郑州综合交通枢纽东部核心区地下空间综合利用工程( A、B、C区主体工程施工及八个人行通道装饰工程)施工...
v1.0 可编辑可修改1 1预应力管桩施工作业指导书一.目的明确管桩施工作业的工艺流程、操作要点和相应的工艺标准,指导、规范管桩作业施工...
下载后可任意编辑 河南省郑州新区建设投资有限公司郑州综合交通枢纽东部核心区地下空间综合运用工程(A、B、C 区主体工程施工及八个人行...
下载后可任意编辑钻孔桩桩头处理( 环切法) 施工技术交底技术交底内容一、 交底部位适用本合同段内钻孔灌注桩桩头凿除施工。二、 施工方...
下载后可任意编辑宿舍楼、 食堂灰土挤密桩桩头破除开挖、 灰土回填施工方案一、 工程概况: 本工程建设地点为陕西省礼泉县南坊镇。工程...
一、编制依据 1潮白河孔雀城九期(翠岚园)普通商品住宅工程图纸 2图集 12J2《地下工程防水》 3地下工程防水技术规范GB50108— 2008 ...
CFG桩复合地基计算书一. 设计依据1). 《建筑地基处理技术规范》 ( JGJ79_2012)2). 《建筑地基基础设计规范》 ( GB 50007-2011...
下载后可任意编辑钻孔灌注桩桩端封闭式压力注浆施工方案主要内容:一、压力灌浆提高桩基承载力的原理二、施工工艺流程三、压浆工程所用设备...
下载后可任意编辑钻孔灌注桩桩底高压注浆施工方案一、 前言目前,随着杭州由西湖时代向钱塘江时代进展,高层、超高层建筑如雨后春笋般的出...
下载后可任意编辑人工挖孔桩施工方案一、工程概况:1、工程位置及工程规模:本工程位于定海东湾,北靠气象台路,南临定海东皋线路。建筑总...
下载后可任意编辑本页为作品封面,下载后可以自由编辑 删 除 , 欢 迎 下 载 ! ! ! 精 品文档1【精品word 文档、可以自由...
下载后可任意编辑水榭花城住宅小区北区 21#住宅楼CFG 桩复合地基处理工程竣 工 报 告保定华北工程勘测设计讨论院2024 年 10 月工程...
旋挖钻孔灌注桩工程安全技术交底卡GD2301003 施工单位工程名称分部工程交底部位日期2013年 4 月 14日交底内容1 施工准备1、施工前应做...
下载后可任意编辑----------------------------精品 word 文档 值得下载 值得拥有--------------------------------------------------...

