实用文档课程设计任务书设计题目: 110kV 变电站电气一次部分设计前言变电站(Substation)改变电压的场所。是把一些设备组装起来,用以切...
110kV 变电站设备巡视作业指导书编写:年月日审核:年月日批准:年月日1目录1 工作任务-----------------------------------------------...
WORD 完美格式..整理分享 .. 麦尔玛 110kV 变电站 110kV (麦尔玛升压站)间隔扩建施工方案WORD 完美格式..整理分享 .. 四 川 ...
麦尔玛 110kV 变电站 110kV(麦尔玛升压站)间隔扩建施工方案四 川 嘉 盛 电 力 建 设 有 限 责 任 公 司2015年 11月 26...
专业学习资料第一章工程概况和特点1、工程简述工程名称:*****110kV 变电站工程⑴ 项目业主单位:⑵ 项目设计单位:⑶ 项目主管单位:...
下载后可任意编辑箱式变电站赔偿协议书日期:xxxx 年 xx 月 xx 日甲方:(单位名称)乙方:(单位名称)鉴于甲方和乙方在 xxxx 年 ...
下载后可任意编辑箱式变电站赔偿协议甲方: 乙方: 签订地点: 签订时间: 合同编号: 下载后可任意编辑箱式变电站赔偿协议 箱式变电...
浅 谈 智 能 化 节 能 型 箱 变 的 技 术 革 新 发 展目前市场常规箱变产品存在的问题:箱体结构笨重,体积庞大,安装运输...
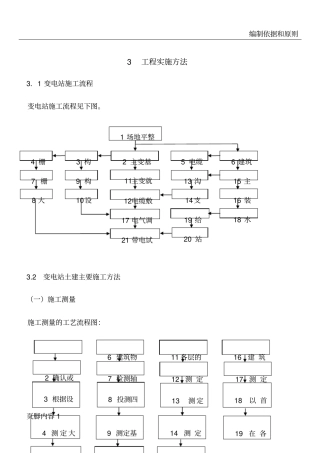
编制依据和原则页脚内容 13 工程实施方法3.1 变电站施工流程变电站施工流程见下图。3.2 变电站土建主要施工方法(一)施工测量施工测...
广州市泰昌实业有限公司合同编号: MX09 正文第1 页 共 3 页泰昌产品销售合同供方:广 州 市 泰 昌 实 业 有 限 公 司需方...
机电仪厂电气三车间2014 年员工岗位胜任试题工种:变电站值班员题号一二三四五总分得分一、填空题:(每空 0.5 分,共计: 20 分)1、...
下载后可任意编辑浅谈变电站安全管理老百姓常说 平安是福 。作为我们企业来说 平安 是企业得以稳定持续进展的基础,是广阔职工群众的祈...
1word 格式支持编辑,如有帮助欢迎下载支持。变电站综合自动化题库选择题为了保障人身安全,将电气设备正常情况下不带电的金属外壳接地称...
下载后可任意编辑智能变电站在线监测技术讨论摘要:电网运行的稳定性可以通过设备的在线监测技术得到保障,文章总结了我国关于智能变电站所...
下载后可任意编辑智能变电站二次安措票技能考评系统设计智能变电站二次安措票技能考评系统设计 张里 李红军 廖小君 王兰 韩花荣 王婷...
铁北 220kV 输变电新建工程土建工程监理实施细则批准:年月日审核: 年月日编写: 年月日铁北 220kV 输变电新建工程监理项目部2013 年...
初步设计说明书I 目录第一章总的部分 . ................................ 11.1 设计依据 ...........................................
变电站站长竞聘演讲稿 各位领、各位评委、 同志们: 们好。 叫 xxx,现年 27 周岁,专文化,技术员。2001 年我局 xx变电站工作至...
仅供参考 [整理 ] 第 1 页 共 6 页安全管理文书进入变电站工作安全管理规定日期: __________________单位: __________________...
泰山500kV 变电站典型倒闸操作票 编 写 教 师: 徐奎公 邓刚 李兵 黄娜 专业组长审核: 韩 冬 变电及调度运行实训室 2 0 0...

