相邻平行顶管推动引起附加荷载的力学分析 1、前言 随着城市经济的进展,越来越多的地下工程需要建造。地铁、越江隧道和合流污水管道等各...
中班数学活动找相邻数教案反思 活动目标: 1、知道相邻数的概念,把握 10 以内的相邻数。2、理解并能说出相邻数多 1 或少 1 的关系...
幼儿园学前班数学相邻数(12 页)Good is good, but better carries it.精益求精,善益求善。幼儿园学前班数学----相邻数练习、顺序数...
山西中阳沈家峁煤业有限公司相邻矿井及采空区积水情况调查报告一、概况:山西中阳沈家峁煤业有限公司隶属于山西中阳钢铁有限公司,根据山西...
“相邻体积单位间得进率”教学设计 ◆您现在正在阅读得“相邻体积单位间得进率”教学设计文章内容由收集!本站将为您提供更多得精品教学资...
找相邻数-幼儿园中班数学教案 幼儿园中班数学教案《幼儿园中班数学教案》 活动目标: 1、知道相邻数的概念,把握 10 以内的相邻数。 ...
幼教大班数学学习 2—9 的相邻数教案反思 活动目标: 1、幼儿说出 29 各数与其相邻数的关系〔多 1 或少 1 的数〕。2、让幼儿娴熟...
相邻通行权答辩状 相邻通行权答辩状怎么写?请看下面的相邻通行权答辩状范文吧! 相邻权民事答辩状【1】 原告:熊 XX,男,19**年 8 月...
话题精选]阅读下面的材料,根据要求作文:真理与谬误是相邻的,有一句成语曰:"失之毫厘,差之千里。""真理再向前迈进一步就是谬论。"智慧...
地下管线、相邻建筑物安全保护措施 1、高速公路开工前,需向当地电力、通信、自来水、石油等管理部门进行调查,了解本标段范围内存在的地...
预防工作面受相邻工作面采空区影响正常生产安全技术措施一、概况根据****综放工作面及****掘进工作面相对位置关系,目前***综放工作面距***...
防治沿空巷道顶板煤炭及相邻采空区煤炭自燃的措施1、搞好煤炭自燃的监测在沿空巷道的顶板及其与采空区相邻的一帮,每隔一定距离打一个检测...
民事起诉状当事人信息原告:XXX被告:XXX诉讼请求1.判令被告停止在其房屋内进行声音、光线、烟气等对原告房屋的侵害,赔偿原告经济损失 50...
1国明新城二期 2-8#栋工程相邻建筑物及管线保护专项施工措施编制:审核:福建成森建设集团有限公司2016 年 11 月-0-目录一.-----------...
-1-573682755(000/95687910108623366597710109569810556324413368/98107935dd675 c)32039o810o96oo86o68o/9堆名栩邻数0710842/975o3600001...
两种减压融合方式治疗相邻两节段颈椎病前瞻性 【摘要】比较经椎间隙减压聚醚醚酮融合术和椎体次全切除内固定术治疗相邻两节段颈椎病的疗效...
相邻施工单位交叉作业 安全生产管理协议 云南省建设投资控股集团有限公司2024 年 5 月 26 日甲方:红河州泸西至弥勒高速公路项目六...
国明新城二期 2-8#栋工程 相邻建筑物与管线保护专项施工措施编 制:审 核:成森建设集团2024 年 11 月目 录一.工程概况 2二.工程...
面向交通信号控制的相邻交叉口关联度模型研究面向交通信号控制的相邻交叉口关联度模型研究摘要伴随着经济的飞速发展,人均车辆保有率逐年攀...
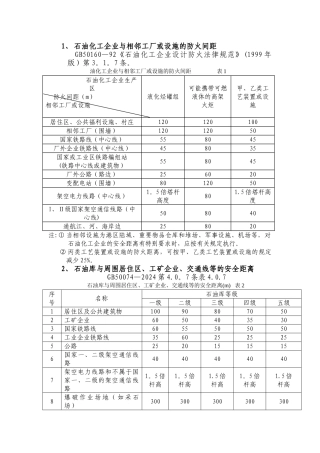
1、 石油化工企业与相邻工厂或设施的防火间距GB50160—92《石油化工企业设计防火法律规范》(1999 年版)第 3。1。7 条。 油化工企业与...

