第1页共4页编号:时间:2021年x月x日书山有路勤为径,学海无涯苦作舟页码:第1页共4页砖基础砌筑工程质量管理1、依据标准:《建筑工程施工...
第1页共10页编号:时间:2021年x月x日书山有路勤为径,学海无涯苦作舟页码:第1页共10页玻璃隔墙分项工程质量验收记录统—6工程名称西宁曹...
第1页共1页编号:时间:2021年x月x日书山有路勤为径,学海无涯苦作舟页码:第1页共1页实木地板面层、实木复合地板面层分项工程检验批质量验...
第1页共4页编号:时间:2021年x月x日书山有路勤为径,学海无涯苦作舟页码:第1页共4页木骨架罩面板顶棚工程质量管理1、依据标准:《建筑工...
第1页共12页编号:时间:2021年x月x日书山有路勤为径,学海无涯苦作舟页码:第1页共12页分项工程质量报验申请单表号:DJB-A4-03工程名称:2...
第1页共4页编号:时间:2021年x月x日书山有路勤为径,学海无涯苦作舟页码:第1页共4页钢屋架制作工程质量管理1、依据标准:《建筑工程施工...
危险性较大的分部分项工程清单和安全管理措施页脚内容1华府御园一期地下车库建设工程危险性较大分部分项工程清单和安全管理措施会签页建设...
第1页共4页编号:时间:2021年x月x日书山有路勤为径,学海无涯苦作舟页码:第1页共4页钢筋混凝土设备基础分项工程质量管理1、依据标准:《...
第1页共16页编号:时间:2021年x月x日书山有路勤为径,学海无涯苦作舟页码:第1页共16页分部(分项)工程施工安全技术交底书单位:中国建筑...
第1页共2页编号:时间:2021年x月x日书山有路勤为径,学海无涯苦作舟页码:第1页共2页灰土地基分项工程检验批质量验收记录TJ4.1.8工程名称...
第1页共5页编号:时间:2021年x月x日书山有路勤为径,学海无涯苦作舟页码:第1页共5页加气混凝土条板安装工程质量管理1、依据标准:《建筑...
第1页共27页编号:时间:2021年x月x日书山有路勤为径,学海无涯苦作舟页码:第1页共27页1分部分项工程施工方案及技术措施1.1定位及测量防线...
第1页共5页编号:时间:2021年x月x日书山有路勤为径,学海无涯苦作舟页码:第1页共5页钢屋架安装工程质量管理1、依据标准:《建筑工程施工...
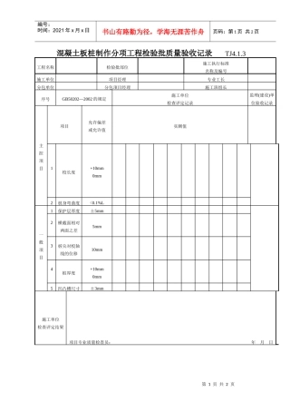
第1页共2页编号:时间:2021年x月x日书山有路勤为径,学海无涯苦作舟页码:第1页共2页混凝土板桩制作分项工程检验批质量验收记录TJ4.1.3工...
精品文档.3、主要分项工程施工方案和技术措施3.1、施工测量本工程以建筑物坐标点与建筑红线的相对关系定位,高程根据建设单位提供的水准点...
..城市10kV配网工程10kV架空线路工程质量验收评定表(一)..现浇铁塔基础分项工程质量验收评定表工程编号:表号:配线基01工序检验项目性质...
砖砌体砌筑工程分项工程质量技术交底卡GD2301003施工汕头潮建筑工程总工程名称富卓金地珠海科技园B2区一一标段分部工程砌体根底交底部位承...
邹坞镇小学数学一年级阶段性分项诊断评价(第5套201501)
预制屋面梁分项工程质量技术交底卡GD2301007□□施工二十三冶建立集团工程名称福建青山纸业股份制浆系统技改工程分部工程交底部位制浆车间2...
第六部分项目的综合管理课件目录•项目综合管理概述•项目变更管理•项目实施计划•项目计划开发•项目计划目录•项目整体变更控制系统•项...

