政府采购寿光市建桥学校工程电线电缆采购招标文件(项目编号:SDYF2024-4064A030 ) 发 包 人:寿光市建桥学校筹建指挥部招 标 人:...
施工技术交底单位名称: 编号:工程项目工程部位电线、电缆敷设接 受 班 组及有关人员工程数量进度要求质量标准质量标准1 保证项目:1....
云星·中央星城 8#9#10#楼及二期(9-10#楼)地下室电缆、电线采购工程招 标 文 件招标人:江西云星房地产开发有限公司日 期:二零一三...
电线颜色1、 黑色装置和设备的内部布线。2 、棕色直流电路的正极.3 、红色三相电路和 C 相;半导体三极管的集电极;半导体二极管、整...
电线规格与直径对比表1。5——1.3822.5-—1.7844--2。2576——2。765 表 3.2。12 BV 型绝缘电线的绝缘层厚度序号 1 2 3 4 5 6 7...
电 线 管 预 埋版本号:08-01电线管预埋作业指导书一、 工作内容 接线盒预制、测量放线定位、模板钻孔、焊支架、线盒安装固定、管路...
目 录一、工程概况...................................................................................................................
电线管预埋安装施工工艺 1、施工时应注意: (1)塑料管不应有折扁、裂缝, 管内无杂物,切断口应平整,管口应刮光; (2)塑料电线管的连...
电气配管及穿线工艺一、施工程序 1)暗管敷设的施工程序为:施工准备 → 预制加工管煨弯 → 测定盒箱位置 → 固定盒、箱 → 管路连...
一、 编制依据 1、 建筑工程图纸 2、 水电工程图纸 3、 建筑工程施工质量验收标准 二、 工程概况 1、 本工程概况 本工程为涞源...
1 平方毫米铜电源线的安全载流量--17A。1。5 平方毫米铜电源线的安全载流量--21A。2.5 平方毫米铜电源线的安全载流量--28A.4 平...
电线、电缆穿管和线槽敷设隐蔽工程验收记录GB50303—2024工程名称中国人民银行开封市中心支行发行库及营业办公用房分项工程名称电线、电缆...
电线电缆负载电流值电工常识-电线负载电流值国标 GB4706.1-1992/1998 规定的电线负载电流值(部分) 铜芯电线铝芯电线铜芯线截面积允许...
电线施工工艺流程及施工标准电线的施工是整个电路施工中的重中之重,电线的铺设决定着整个电路的安全与否以及使用的方便性、合理性等,所以布...
电线、电缆穿管和线槽敷设隐蔽工程验收记录 GB50303-2024工程名称国宝花园 1—20 幢分项工程名称电线、电缆敷设施工单位河南省中原建设...
电线、电缆导管隐蔽工程验收记录工程名称周口市太康县如意花园经济适用房 #分项工程名称电线导管敷设施工单位验收部位 地下室梁板隐蔽工...
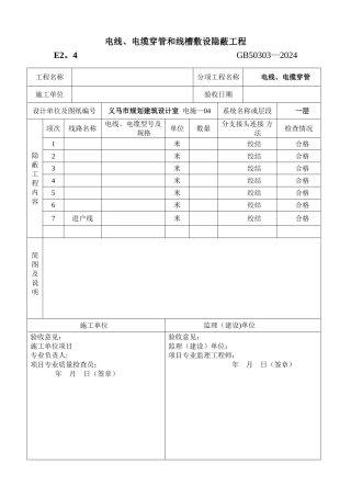
电线、电缆穿管和线槽敷设隐蔽工程 E2。4 GB50303—2024工程名称分项工程名称电线、电缆穿管施工单位验收日期设计单位及图纸编号义马市规...
电线、电缆穿管和线槽敷线报验申请表工程名称: 商丘市睢阳区高辛镇敬老院东 1#楼 编号: 致: 河南四方建设管理有限公司(项目监理机...
标准电线平方数和直径一览表 电线(平方毫米)导体直径(毫米)25℃铜线载流量1。51。3818A2。51。7826A42。2538A62。7644A101。33×768A161...
标准电线平方数和直径一览表 电线(平方毫米)导体直径(毫米)25℃铜线载流量1。51.3818A2.51。7826A42。2538A62.7644A101。33×768A161。...

