标准电线平方数和直径一览表 电线(平方毫米)导体直径(毫米)25℃铜线载流量1。51。3818A2。51。7826A42。2538A62。7644A101。33×768A161...
标准电线平方数和直径一览表 电线(平方毫米)导体直径(毫米)25℃铜线载流量1。51.3818A2.51。7826A42。2538A62.7644A101。33×768A161。...
施工现场电线安全知识一、施工现场的配电线路 1。现场中所有架空线路的导线必须采纳绝缘铜线或绝缘铝线。导线架设在专用电线杆上。 2。架...
电线管预埋电线管预埋电线管预埋电线管预埋电线管预埋电线管预埋电线管预埋电线管预埋电线管预埋电线管预埋电线管预埋电线管预埋电线管预埋...
标准电线平方数和直径一览表 电线(平方毫米) 导体直径(毫米)25℃铜线载流量1。51。3818A2.51.7826A42.2538A62.7644A101。33×768A161....
中心小学北教学楼线路改造工程验收报告2018 年 1 月 20 日工程名称施工单位中心小学北教学楼线路改造工程李国柱工程队批准概算竣工决...
110kVXX 输变电配套线路工程 工程线路下基础施工方案工程项目名称: 110kVXX 输变电配套线路工程 批 准: 审 核: 初 审: 编 ...
桩架断路器丿真空断路器主要用于中高压(3.6〜40.5kV)范围内。1、低压断路器的分类是指额定电压为交流、工频 1000V 及以下的低压断路器...
电 线 管 预 埋版本号:08-01电线管预埋作业指导书一、????? 工作内容 接线盒预制、测量放线定位、模板钻孔、焊支架、线盒安装固定、...
电线最法律规范的接法电线最法律规范的三种接法下面是第一种接法。注意:在家装中是不应有接头的,特别是在线管内更不能有接头,假如有接头...
序号产品/产品类别检测标准〔方法〕名称及编号〔含年号〕1圆线同心绞架空导线圆线同心绞架空导线GB/T1179-2024IEC61089:1991+A1:1997EN 50...
中班综合活动:自由自在的电线教案设计活动《自由自在的电线》来源于中班下学期建构式课程中“弯弯绕绕”的主题。电线是日常生活中特别而又...
中班科学自由自在的电线教案反思 活动目标: 1、任意弯折电线,大胆表现富有创意的造型。2、尝试运用多种材料让电线站起来。3、培育幼儿...
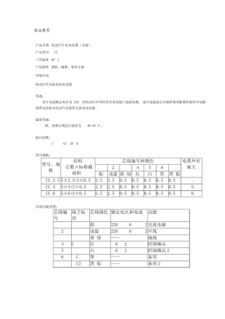
新品推荐 产品名称:电动汽车充电电缆(交流) 产品型号:DCC 工作温度:80°C 产品特性:柔软,耐磨,使用方便 详细介绍: 电动汽车交流...
1 、 家 装 电 线 规 格 一 般 为 单 股 铜 芯 线 , 其 截 面 面 积 主 要 有 三 个 规 格 , 分 别 是4...
1 电缆穿管规范要求 篇一:电力电缆穿管及桥架施工规范 电线电缆穿管及桥架施工规范 根据04D X 101-1 建筑电气常用数据图集: 1、...
电缆直径和电线截面积电流对照表 1、综述 铜芯线的压降与其电阻有关,其电阻计算公式: 20℃时:17.5÷截面积(平方毫米)=每千米电阻值...
第i页 招标编号: 包 号: [招标项目] 招 标 文 件 第三册 (技术部分) [单位名称] [日期] 第ii页 目 录 附件1 技术规范...
电 缆 电 线 工 程 量 计 算 第 八 节 电 缆 本 节 定 额 适 用 10KV 以 下 的 电 力 及 控 制 电 缆 敷 ...
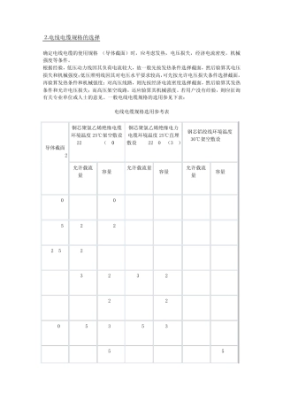
电缆、电线绝缘电阻测试表

