下载后可任意编辑白麻花岗岩侧石采购合同 合同编号:19DQYH-CG-2024-112024 年天津港保税区道桥养护项目白麻花岗岩侧石采购合同甲方:光...
下载后可任意编辑安砌侧石一、工艺流程二、施工措施1、测量放样基层施工完并经监理工程师验收合格后,侧平石安装前,应校核道路中线,测设...
福泉市城市主轴南段改扩建工程人行道、侧(平)石工程劳务分包合同(合同编号: )广东华坤建设集团有限公司福泉市城市主轴南段改扩建工程...
广场侧石平石施工方案编制:审核:审批:二零二零年二月目录一、编制依据3三、施工计划41、施工进度计划42、材料与设备计划4四、机械配置计...
树池侧石安装报验申请表工程名称:梅山湖路延伸段-绿化工程编号:致:安徽省建设监理有限公司监理公司我单位已完成了K3+890.450~K4+383.983...
树池侧石安装报验申请表工程名称:梅山湖路延伸段-绿化工程编号:致:安徽省建设监理有限公司监理公司我单位已完成了K3+890.450~K4+383.983...
技术交底记录年月日工程名称前河南路道路桥梁工程分部工程道路工程分项工程名称侧石、平石施工交底内容:1、刨槽〔1〕沥青路面侧、平石在路...
施工方案一、工程概况航塘公路(南奉公路~奉柘公路)原有路肩高于道路路边导致路面排水不畅,现在道路两侧设置挡水侧石和出水口改善原有排...
目录一、工程概况01、主要工程量:0二、施工工艺流程0三、施工方案01、材料要求:02、测量放线:03、刨槽04、安装1四、施工进度计划1五、施...
划分侧石、缘石、侧缘石、立缘石、侧平石【山东版】《山东省市政工程定额编制与应用》的解释如下:2-272、2-273侧石,是指安于路面两侧,区...
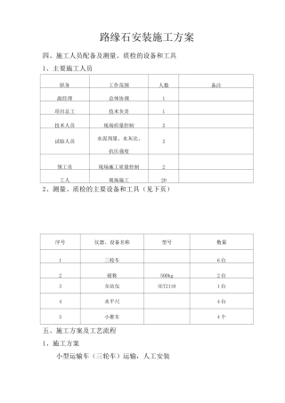
路缘石安装施工方案四、施工人员配备及测量、质检的设备和工具1、主要施工人员职务工作范围人数备注副经理总体协调1项目总工技术负责1技术...
第一章工程概况2第二章编制依据2第三章主要技术指标及工程量2第四章施工布署3第五章施工工艺流程及控制要点4第六章质量保证措施7第七章成品...
白麻花岗岩侧石采购合同合同编号:19DQYH-CG-2020-112020年天津港保税区道桥养护项目白麻花岗岩侧石采购合同甲方:光伏耀德(天津)光电科...
1/6目录一、工程概况11、主要工程量:错误!未定义书签。二、施工工艺流程1三、施工方案11、材料要求:12、测量放线:13、刨槽14、安装2四...
白麻花岗岩侧石采购合同合同编号:19DQYH-CG-2020-112020年天津港保税区道桥养护项目白麻花岗岩侧石采购合同甲方:光伏耀德(天津)光电科...
郑州市某路市政改造工程施工方案编制单位:编制时间:年月日目录第一章编制依据及编制原则1.1编制依据1.2编制原则第二章工程概况2.1工程概况...
郑州市某路市政改造工程施工方案编制单位:编制时间:年月日目录第一章编制依据及编制原则1.1编制依据1.2编制原则第二章工程概况2.1工程概况...
技术交底记录年月日工程名称前河南路道路桥梁工程分部工程道路工程分项工程名称侧石、平石施工交底内容:1、刨槽〔1〕沥青路面侧、平石在路...
安砌侧石一、工艺流程二、施工措施1、测量放样基层施工完并经监理工程师验收合格后,侧平石安装前,应校核道路中线,测设侧平石安装控制桩...

