XXX 有限公司程序文件文件编号:XXX/CX—01—2024A共 62 页 第 1 页标题1、管理评审控制程序实施日期:2024 年 1 月 1 日1、目...
TSZS002-2024特种设备安装改造维修告知书施工单位: 河南 九冶金鑫机电设备有限公司 设备种类: 压 力 容 器 施工类别: 安 装...
房 屋 建 筑 工 地特种设备安装︵拆卸︶告知书 遵义市(县)建特字【 】号特种设备安装(拆卸)告知书 告 示 建设行政主管部门通...
一、项目名称 特种设备安装改造维修单位资格许可(含首次、换证增项、升级)二、设定依据《特种设备安全法》《特种设备安全监察条例》《国...
特种设备安装改造维修许可证资格条件凡从事电梯、起重机械、客运索道和大型游乐设施等机电类特种设备(以下统称机电类特种设备)安装、改造...
压力管道资质申报条件及要求说明(省辖范围)一、受理单位 省质量技术监督局二、可申请范围1、GB1 级:燃气管道城市或者乡镇范围内的用于...
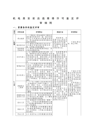
机电类安装改造维修许可鉴定评审细则一、资源条件的鉴定评审项目评审内容评审要点考核方法评价要求1.机构营业执照1。1 查验法人营业执照应...
特种设备安装改造维修许可申请书(填写样本)申请单位: ×××× 有限公司(加盖公章) 设备种类:( 填写相应设备种类,如锅炉 / 压力...
机电类特种设备安装改造维修许可规则(试行) 第一章 总 则 第一条 为了法律规范机电类特种设备安装、改造、维修单位的资格许可工作,确...
特种设备安装改造维修许可申请书填写说明1 适用范围包括锅炉、压力容器、压力管道、电梯、起重机械、客运索道、大型游乐设施的安装改造维...
TSZS004-2024 特种设备安装改造维修许可申请书 编号:TS 申请单位: 设备种类: 施工类别: 申请日期: 申请类别: 国家质量监督检...
特种设备安装改造维修告知单(注 1) 告知单编号(注 2):施工单位(加盖公章): 设备名称设备制造单位全称许可证编号设备安装地点安...
TS-131特种设备安装改造维修许可申请书编号:申请单位: 设备种类: 施工类别: 申请日期: 申请类别: 国家质量监督检验检疫总局申请...
特种设备安装改造维修告知书施工单位: 设备种类: 施工类别: 告知日期: 国家质量监督检验检疫总局制工程情况工程名称建设单位名称建...
特种设备安装、拆卸安全专项施工方案一、 编制依据《中华人民共和国安全生产法》、《中华人民共和国建筑法》、《中华人民共和国劳动法》等...
特种设备安装改造维修告知书施工单位: (加盖公章) 告知书编号: 设备名称型号(参数)设备代码产品编号设备制造单位全 称制造许可证编...
电气设备安装标准 一、外部标准:1、 电气设备应上设备架,设备架离地约 0.3 米.2、 正确连接电气设备接地线和接地极,接地极与电气设...
目录1、工程概况......................................................................................................................
目 录1 适 用 范 围 ....................................................12 编 制 依 据 ....................................
目 录一、 编制说明2二、 编制依据 2 三、 工程概况 2 四、 动设备安装程序 2 五、 施工准备 2 六、 动设备安装的一般要求...

