审批:部门负责人:填表:日期:序号活动、产品、服务环境因素时态状态因素评价确定重要因素过去现在未来正常异常紧急abcde合计1土方工程机...
素质能力词典A 工作合理性B 计划与组织能力C 调查分析能力D 工作自主性定义:采用有效工作措施,以期改善工作绩效。定义:根据组织旳战...
小学教师考核评价表教师姓名 承担工作 考核分 主原因子原因权重分得分德 16分政治思想(6 分)热爱教育事业,热爱学校,关怀学生,团结...
员工招聘面试评价表WR 4-012考号姓名性别年龄报考职位所属部门面试内容评价等级或分数阐明仪容仪表体现能力态度实际经验反应能力专业知识...
遵义市红花岗区人民医院培训老师授课质量评价表课程名称: 授课讲师:培训地点: 评价人:授课时间: 年 月 日 评价指标评价参考内容优秀...
培训效果评价表部门:奇峰动力电仪编号:01培训方式授课、车间辅导培训对象动力电仪全体员工培训时间培训老师孙健课时4 课时考核方式问答培...
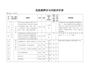
危险源辨识与风险评价表号共 30 页,第 01 页序号产品、服务活动/过程危险源时态状态可能导致的风险是否不可容许风险风险等级控制措施0...
中心幼儿园健康教育考核评价表 班级: 小班 幼儿姓名: 邹安瑞 年度:2024 年 测 评 内 容测 评 结 果1、激发幼儿参加活动的积...
中层管理者工作能力评价表分类评价内容评价结果(参照以下分值)优秀(9-10);良好(7-8);中等(5—6);较差(0—4)一、专业技能是否具...
中层管理人员绩效评价表被评价者姓名:职位:部门:评 价 指 标分 值程 度 描 述个人素质(10)民主性(5)5民主性强4民主性较强3有...
屏山县中小学老师职业道德考核评价表(2024-2024 年)学校名称 新市镇平宁基点校 姓 名 杨长平 老师职务 小学数学一级老师 填表日...
XX 学 区中小学老师教育教学量化考核评价表单位名称: 老师姓名: 时间:二 0 0 年 月 日项目评 价 内 容评价等级分值 得分A1B0...
业务流程层面内部控制设计和执行情况评价表项目: 索引号: 编制: 复核: 日期: 日期: 一、了解业务流程层面内部控制实施的程序通过...
业务流程层面内部控制设计和执行情况评价表被审计单位: 索引号: 2221 项目: 截止日/期间: 编制: 复核: 日期: 日期: 一、了解...
业务流程层面内部控制设计和执行情况评价表被审计单位: 索引号: 2221 项目: 截止日/期间: 编制: 复核: 日期: 日期: 一、了...
领导班子评价表优点缺点和建议 12 篇 1. 温柔和顺,工作兢兢业业。在岗位上,凡事起带头作用,在帮助同事和培育新人上,都能以身做则。...
世联住宅户型评价表表 3评价序号户型型号建筑面积㎡户型标准总体评价总评分评 分等级户型房 厅 卫标准参数评价参数评价意见权重分评分...
1环境因素识别评价表(设备安装工程)单位:一序号阶段或范围产品/服务/活动环境因素环境影响时态状态abcdefghA+b+c+d+e+fg+h是否属于重要环...
表单编号:KDN/QEO.222-R01合规性评价表序号环境因素和危险源适用法规和其它要求名称适用条款(主要内容)遵守情况是否符合备注1能/资源消...
供应商综合评价表 NO: 资源商名称法人代表地址联系方式货物名称货物种类供货周期原有资源商等级评项企业知名度(20 分)得分管理层稳定...

