(工程名)门窗计算书(样例)计算:.校对:.审核:.公司名称2010年9月29日本计算书由《晨光门窗计算书》软件协助计算***工程名门窗计算书...
中华人民共和国国家标准给水用聚乙烯(PE)管材(GB/T13663-2000)前言本标准非等效采用国际标准ISO4427:1996《供水用聚乙烯管材规范》...
此资料由网络收集而来,如有侵权请告知上传者立即删除。资料共分享,我们负责传递知识。国家标准公文范文行政公文,是公务文书的简称,是人...
国家标准劳动合同书劳动合同,是指劳动者与用工单位之间确立劳动关系,明确双方权利和义务的协议。订立和变更劳动合同,应当遵循平等自愿、...
北京交通大学硕士学位论文Modbus协议测试规范国家标准草案的制订及测试系统的开发姓名:杨宇慧申请学位级别:硕士专业:控制理论与控制工程...
《机械制图》新国家标准学习重点•已经修改和新添加的新制图标准•比较常用和比较重要的制图标准第一章标准化概述1.1标准化基础知识简介1....
常用法规、规范性文件清理一览表锅炉压力容器安全监察暂行条例国发[2000]22号《锅炉压力容器安全监察暂行条例》实施细则劳人锅[1982]6号劳...
部分紧固件国家标准与国际标准对照表一、螺栓序号中国国家标准代号标准名称ISO标准代号美国标准代号德国标准代号日本标准代号1GB8-88方头螺...
此资料由网络收集而来,如有侵权请告知上传者立即删除。资料共分享,我们负责传递知识。参考文献格式国家标准1参考文献格式国家标准(zt)中...
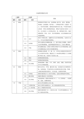
土地利用现状分类一级类二级类含义编码名称编码名称01耕地指种植农作物的土地,包括熟地,新开发、复垦、整理地,休闲地(含轮歇地、轮作地...
上海石化工业学校教案授课教师:黄祥健课程名称化工制图与CAD课题名称1.1制图国家标准的基本规定授课班级130应用化工班授课日期2015.9.8教...
中华人民共和国国家标准GBXXXX-XXXX洁净厂房施工及质量验收规范CodeofacceptanceforConstructionqualityofIndustrialcleanroom〈征求意见稿...
中华人民共和国国家标准GB/T19001-2000IdtISO9001:2000.质量管理体系要求Qualitymanagementsystems―Requirements第2页共14页编号:时间:2...
..WORD.格式整理....专业.知识.分享..“利群杯”《卓越绩效评价准则》国家标准基本知识竞赛试题及答案一、单选题1.《卓越绩效评价准则》国...
中华人民共和国国家标准GB/T15834-2011标点符号用法(中华人民共和国国家质量监督检验检疫总局、中国国家标准化管理委员会2011年12月30日发...
新版专用校车安全强制性国家标准已于2012年5月1日起正式实施,内容包括要求喷涂专用校车外观标识,以及车辆的安全性能和车辆安全管理的可操...
全国县及县以上行政区划代码表(国家标准GBT2260-1999)代码名称110000北京市110100市辖区110101东城区110102西城区110103崇文区110104宣武...
食品安全国家标准食品中污染物限量标准(征求意见稿)编制说明为贯彻《食品安全法》及其实施条例,落实《国务院办公厅关于印发食品安全整顿...
国家标准《锻钢冷轧工作辊通用技术条件》(送审稿)编制说明宝钢集团常州轧辊制造公司二○○七年九月第1页共17页编号:时间:2021年x月x日...
第1页共10页编号:时间:2021年x月x日书山有路勤为径,学海无涯苦作舟页码:第1页共10页GB16999-200X《人民币鉴别仪通用技术条件》(征求意...

