岗位竞聘面试评分表应聘岗位:竞聘者姓名1。1 综合能力45形象、举止5口头表达能力10逻辑思维能力10创新性10心理素养/反应能力101.2 专业...
国 电 吉 林 热 电 厂正、副班长(单元长)技术员岗位竞聘评分表年 月 日竞聘人性别政治面貌出生日期全日制学历毕业学校专业最高学...
岗位竞聘人员评分表姓名: 原部门: 原职位: 竞聘部门: 竞聘岗位:评分内容仪容仪表逻辑思维人际沟通应变能力工作阅历分析能力组织协调...
岗位竞聘人员评分表姓名: 原部门: 原职位: 竞聘部门: 竞聘岗位:评分内容仪容仪表逻辑思维人际沟通应变能力工作阅历分析能力组织协调...
员工岗位竞选评分表姓名: 部门: 竞选岗位: 评委: 时间:考核项目考核标准分数权重实际得分单项合计备注语言表达能力(15 分)语言表...
后白塔小学科学实验操作考核试题气体的热胀冷缩(四年下册)班别姓名座号成绩完成下列操作1、讲述仪器用品名称(20 分)① 烧瓶(10 分) ...
小儿鼻胃管姓名: 专业: 主考老师:项目项目分内容及评分标准满分得分准备物品10衣帽整齐、法律规范洗手、戴口罩3用物:治疗车、清洁治...
小儿危重病例评分表(本表格为 2 页,应双面打印)姓名: 性别: 年龄: 科室: 床号:住院号: 医师 诊断: 入院时间: 评分时间: ...
宿舍卫生综合检查表宿舍号检查时间检查人签字检查项目地面室内物品床铺门窗电器设备宿舍文化合计检查标准地面洁净无脏渍、无杂物垃圾;摆放...
家具营业员绩效考核评分表姓名: , 月实得:分,表现:门店: 职位: 入职日期:项目考核明细分值个人自评民主评份公司评分实核得分店铺...
住宅室内装修设计招标综合评分汇总表评标人:评标日期:年月日工程名称投标人名称总得分主评项目分项名称评价内容分值得分企业情况产品性能...
定性指标评分表岗位: 被考核人:考核日期:年月至月评分标准: 100—90 优秀; 89—80 良; 79—70 中 69—60 合格; 60—0 差定性...
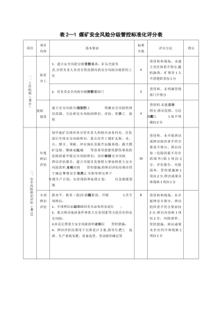
表 2-1 煤矿安全风险分级管控标准化评分表项目项目内容基本要求标准分值评分方法得分一、工作机制(10分)职责分工1.建立安全风险分级管...
安 全 管 理 检 查 评 分 表表 1序号检 查 项 目扣 分 标 准应得分数扣减分数实得分数1保证项目安全生产责 任 制未建立安...
表 2—1 煤矿安全风险分级管控标准化评分表项目项目内容基本要求标准分值评分方法得分一、工作机制(10分)职责分工1.建立安全风险分级...
一 、 前 言随着人类社会的进步和进展, 在基础行业实施安全风险管理已成为国际化的趋势。中国南方电网公司经过近五年的努力,讨论建立...
安全生产考核评分汇总表单位名称:考评时间:序号考核内容标准分考核得分1事故控制302第一责任者职责到位情况253安全管理45合计100事故控制...
安全生产管理考核细则评分表(管理处与驻外公司适用)单位名称(盖章):年月日序号考核项目考核目标自评分考评分一安全生产目标完成情况(15...
江门市潭江河流治理工程 PPP 项目(恩平段)项目安全文明施工监督检查评分表检查编号:工程名称 江门市潭江河流治理工程 PPP 项目(恩平...
安全生产标准化基本法律规范自评情况评分表自评/评审单位:XXXXXXX 有限公司 自评/评审时间:从 XXXX 年 XX 月 X 日 到 XXXX 年...

