附件一:全国高等职业院校土建施工类专业首届“鲁班杯"建筑工程识图技能竞赛建筑工程施工图识读 试卷※※※※※※※※※※※※※※※※※...
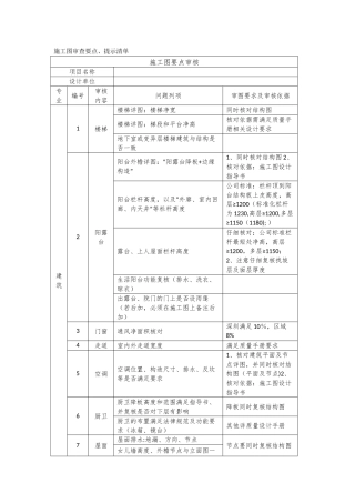
施工图审查要点、提示清单施工图要点审核项目名称设计单位专业编号审核内容问题列项审图要求及审核依据建筑1楼梯楼梯详图:楼梯净宽同时核...
建筑工程施工图设计文件审查要点(试行)一、总 则(一)为指导建筑工程施工图设计文件审查工作,根据《建设工程质量管理条例》和《建设工程...
建筑专业施工图审查要点1、一般规定:1.0。1 建筑总平面应与经城市建设规划管理部门审批的总平面及审批意见一致。1。0。2 单体设计的项目...
广西省建筑施工图设计文件审查机构施工图审查机构 1.广西梧州天安建设工程咨询有限公司,一类; 2。南宁中核建筑技术咨询有限公司,一类;...
幕墙施工图设计深度要求一、幕墙工程施工图纸内容要求幕墙工程施工图纸一般应包括封面、目录、设计说明、材料明细表、立面图、平面图、立面...
施 工 图 设 计 说 明 书一 、概 述1 . 项 目 背 景东兴市地处我国南部沿海与西南腹地的结合部,沿海沿边,背靠大西南,面...
北 京 市 市 政 基 础 设 施 工 程 施 工图勘 察 文 件 审 查 要 点北 京 市 规 划 委 员 会 发 布二 零 零...
办理《规划工程许可证》流程图出具审批意见⑧ 施工图送规划办审批出具审批意见⑨ 施工图抗震审查⑿ 建筑红线连同施工图送人防、消防审查...
工程施工图和竣工图有没有区别?施工图是设计院画的,是建筑施工的主要依据; 竣工图是建筑施工单位画的,是反映房屋竣工时实际完成的情况...
xxxxxxxxxxxxxxxxx 有限公司招标文件招标编号:惺惺惜惺惺惺惺惜惺惺工程名称: x 期 x 区施工图设计工程工程地点: 招 标 人:xxx...
前 言在室内设计工作的过程中,施工图的绘制是表达设计者设计意图的重要手段之一,是设计者与各相关专业之间沟通的标准化语言,是控制施工...
室内装饰施工图设计说明一:工程概述1。1 工程名称:1。2 业主(甲方): 1。3 本工程装饰设计范围包含:1。4 本次装修设计专业包含:装...
目 录第一部分:项目概况 2一、审核范围 2二、审核依据 2三、审核重点 3第二部分:施工图审核组织机构及审核过程 6一、施工图审核组织...
安徽省绿色建筑施工图审查要点(试行)2024 年 1 月安徽省绿色建筑施工图审查填表总说明1。本表为绿色建筑进行施工图审查时,依据《绿色建...
山 西 建 工SHANXI CONSTRUCTION ENGINEERINGg力自团队来力自团队来 利于千万家利于千万家1.施工现场大门样式及围墙要求针对施工现...
第一讲 选材变通方法1. 在实际应用中,当所供应的钢材不能完全满足设计要求时,可按下述变通方法处理.2. 钢材的化学成分容许按表 4-3 ...
一步一步教你如何看懂施工图一、识图1、先看现场平面布置图,了解工程概况及周围建筑对本工程的影响。2、再看施工组织,大概了解工程的具体施...
一步一步教你如何看懂施工图一、识图1、先看现场平面布置图,了解工程概况及周围建筑对本工程的影响。2、再看施工组织,大概了解工程的具体...
附件 2天津市绿色建筑施工图设计专篇(2024 年版)(公共建筑、居住建筑)前言为了更好地贯彻实施国家和天津市现行有关绿色建筑设计和评价...

