实验一 典型环节的模拟研究 一 、 实 验 要 求 了 解 和 掌 握 各 典 型 环 节 的 传 递 函 数 及 模 拟 电 路...
1 自动控制原理 实验报告 2 实验一 典型系统的时域响应和稳定性分析 ...............................................................
自动控制原理 实 验 报 告 实验一 二阶系统的电子模拟及时域响应的动态测试 实验二 频率响应测试 实验三 控制系统串联校正 实验...
- 73 - 3.2 自动控制原理实验内容 3.2.1 典型线性环节的研究 1.实验目的 ① 学习典型线性环节的模拟方法; ② 研究阻、容参数...
实验二 线性系统时域响应分析 一、实验目的 1.熟练掌握step( )函数和impulse( )函数的使用方法,研究线性系统在单位阶跃、单位脉冲及...
广州大学学生实验报告 开课学院及实验室:实验中心 2 0 1 3 年 1 1 月 10日 学 院 机电 年级、专业、班 姓名 学号 实验课...
实验一 典型环节的电路模拟与软件仿真 一、实验目的 1.熟悉THSSC-4 型信号与系统·控制理论·计算机控制技术实验箱及上位机软件的使用...
非线性系统的相平面分析 实验一 典型非线性环节 一.实验要求 1. 了解和掌握典型非线性环节的原理。 2. 用相平面法观察和分析典型非...
实验三 二阶开环系统的频率特性曲线 一.实验要求 1.研究表征系统稳定程度的相位裕度 和幅值穿越频率c 对系统的影响。 2.了解...
1 第一章 自动控制的一般概念 1.如果被调量随着给定量的变化而变化,这种控制系统叫( ) A. 恒值调节系统 B. 随动系统 C. 连续...
《自动控制原理》课程概念性知识复习提纲详细版 第一章: 1 .自动控制的任务(背):是在没有人直接参与下,利用控制装置操纵被控对象,...
1 一、控制系统的数学模型 1 、传递函数的定义 线性定常系统的传递函数,定义为零初始条件下,系统输出量的拉氏变换与输入量的拉氏变换...
自动控制原理填空题复习(一) 1. 对于一个自动控制的性能要求可以概括为三个方面: 稳定性 、 快速性 、 准确性 。 2. 反馈控制...
1 自动控制原理基本知识测试题 第一章 自动控制的一般概念 一、填空题 1.(稳定性)、(快速性)和(准确性)是对自动控制系统性能的...
一、填空题(每空 1 分,共 15 分) 1、反 馈 控 制 又 称 偏 差 控 制 , 其 控 制 作 用 是 通 过 与 反 馈 ...
1 21.一 线 性 系 统 , 当 输 入 是 单 位 脉 冲 函 数 时 , 其 输 出 象 函 数 与 传 递 函 数 相 同 ...
自动控制原理例题与习题 第一章 自动控制的一般概念 【例 1】试述开环控制系统的主要优缺点。 【答】 开环控制系统的优点有: 1. 1...
1 自动控制原理习题 一、(20 分) 试用结构图等效化简求下图所示系统的传递函数)()(sRsC。 解: 所以: 32132213211)()(GGGGGGGGGGsR...
自动控制原理作业 1 、下图是仓库大门自动控制系统原理示意图。试说明系统自动控制大门开、闭的工作原理,并画出系统方框图。 2 、下图...
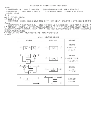
自动控制原理习题及其解答 第一章(略) 第二章 例2 -1 弹簧,阻尼器串并联系统如图2-1 示,系统为无质量模型,试建立系统的运动方程...

