隧道管棚施工工艺流程设计管棚超前支护刚度大,可承受土体的垂直和侧向压力,管棚超前预支护具有棚架、锚固、固结地层的三种功能,它将部分...
##段T4合同段首件工程隧道管棚施工方案编制:复核:审批:##有限公司###合同段项目经理部2013年5月23日##有限公司首件工程施工方案目录一、...
增刊2(总第176期)2005年11月山西交通科技SHANXISCIENCE&TECHNOLOGYOFCOMMUNICATIONSNov.桥隧工程收稿日期:2005208217;修回日期:2005210209...
管棚的适用条件及一些土体状况的应用引言随着我国道路交通建设的迅速发展,隧道工程施工日益增多,面临一些不良地质条件的隧道掘进施工和事...
第1页共8页编号:时间:2021年x月x日书山有路勤为径,学海无涯苦作舟页码:第1页共8页超前管棚施工作业指导书一、编制目的明确隧道超前管棚...
一、工程概况湖北省宜昌至巴东(鄂渝界)公路是《国家高速公路网规划》中上海至成都高速公路湖北省西段,该项目东接江汉平原,南邻长江,西...
管棚施工工艺工法QB/ZTYJGYGF-SD-0302-2011第五工程有限公司陶赞旭1前言1.1工艺工法概况管棚超前支护法是近年发展起来的一种在软弱围岩中进...
山西山阴至平鲁〔晋蒙界〕高速公路LJ6标段吴辛寨隧道套拱、棚技术交底中铁一五山平高速公路路基桥隧第六工程部二〇一一年三月隧道套拱、棚...
第1页共8页编号:时间:2021年x月x日书山有路勤为径,学海无涯苦作舟页码:第1页共8页管棚护拱施工工艺忻保高速公路路基五合同项目部二00九...
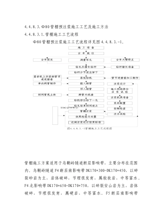
第1页共17页编号:时间:2021年x月x日书山有路勤为径,学海无涯苦作舟页码:第1页共17页4.4.8.3.Φ80管棚预注浆施工工艺及施工方法4.4.8.3....
第71页共1页编号:时间:2021年x月x日书山有路勤为径,学海无涯苦作舟页码:第71页共1页管棚超前支护施工工艺流程图
引水隧洞管棚支护专项措施格尔木那棱格勒河三级水电站工程名称:那棱格勒河三级水电站土建及金属结构制安工程合同编号:NLGL3-2012-1引水隧...
第1页共14页编号:时间:2021年x月x日书山有路勤为径,学海无涯苦作舟页码:第1页共14页管棚施工方案哈尔滨路鑫非开挖管道工程有限公司2011...
第1页共8页编号:时间:2021年x月x日书山有路勤为径,学海无涯苦作舟页码:第1页共8页一机多功能:可以满足钻凿锚杆孔及管棚施工技术要求1...
京台线建瓯至闽侯高速公路宁德市境A2合同段隧道施工方案螃袁莆薀虿袀蒈螅羈衿膈薈袄羈芀螄螀羇莂薆蚆羆薅荿肄羅芄蚅羀羅莇蒈袆羄葿蚃螂羃腿...
山西山阴至平鲁〔晋蒙界〕高速公路LJ6标段吴辛寨隧道套拱、棚技术交底中铁一五山平高速公路路基桥隧第六工程部二〇一一年三月隧道套拱、棚...
螃袁莆薀虿袀蒈螅羈衿膈薈袄羈芀螄螀羇莂薆蚆羆薅荿肄羅芄蚅羀羅莇蒈袆羄葿蚃螂羃腿蒆蚈羂芁蚁羇肁莃蒄袃肀蒆蚀蝿聿膅蒂螅聿莈螈蚁肈蒀薁罿...
管棚施工方案哈尔滨路鑫非开挖管道工程有限公司2011年6月22日目录1施工组织设计方案………………………………………………………………11.1...
一机多功能:可以满足钻凿锚杆孔及管棚施工技术要求1、8~12米超深锚杆孔施工:DT1130凿岩台车可以选装“液压卡钎器TRR-1”和“自动换杆机构...
4.4.8.3.Φ80管棚预注浆施工工艺及施工方法4.4.8.3.1.管棚施工工艺流程Φ80管棚预注浆施工工艺流程详见图4.4.8.3.-1。管棚施工方案适用于乌...

