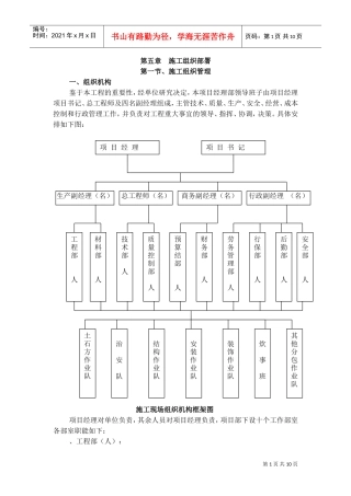
成功实验中学必修一1-5章测试一.选择题1.下列关于乙型肝炎病毒的说法正确的是A.能在人体血浆中增殖B.不能寄生在呼吸道黏膜细胞中C.核酸...
性值。第5章CSS样式和Div标签5.1【案例21】“中国名胜简介”网页相关知识1.“CSS样式”面板“CSS样式”面板也叫CSS样式表编辑器,空的“CS...
网站规划与网页网站规划与网页设计设计理工部理工部杨彩霖杨彩霖5.1CSS5.1CSS的特点和用途的特点和用途5.2CSS5.2CSS与与HTMLHTML文档的结合...
网页设计5.1CSS概述5.2CSS的类型5.3创建样式5.4样式的其他操作5.5常用的CSS设置5.6实践技能训练-----利用CSS修饰页面第5章使用CSS样式表修...
第第55章章IPIP协议协议因特网的核心协议是因特网的核心协议是IPIP和和TCPTCP两大协议。两大协议。作用作用::IPIP协议是协议是TCP/IPTCP/...
大学生心理健康教程第5章学会用心交往第5章学会用心交往第一节课堂活动设计第二节人际关系与人际交往第三节大学生人际交往中的常见问题第四...
第5章饮食文化•一般认识:中国饮食文化发展概况•重点掌握:中国著名菜系及地方风味•中国茶文化、中国酒文化目录•5.1中国饮食文化概述•...
24/12/221第第55章章引脚锁定引脚锁定壹.直接锁定1Assignments/pins可以直接按照,输入—输出—双向口的顺序锁定应交二直接锁定2Assignment...
第5章80C51单片机的串行接口技术第5章80C51单片机的串行接口技术计算机与计算机之间,计算机与外设之间的数据交换称为通信。计算机与外部设...
第5章8086的总线操作和时序5.1时钟周期、总线周期和指令周期5.28086/8088的引脚信号及工作模式5.38086CPU最小模式下的引脚功能5.48086CPU最...
第5章AT89S51的中断系统5.1AT89S51中断技术概述5.2AT89S51中断系统结构5.3中断允许与中断优先级的控制5.4响应中断请求的条件5.5外部中断的...
第五章FX系列PLC的工作原理陕西理工学院电气系第5章FX系列PLC的工作原理5.1PLC概述概述5.2PLCPLC的工作原理的工作原理5.3PLC的组成5.4PLC的...
ARMLinux内核提纲1.ARM系统结构简介2.ARM-Linux内存管理3.ARM-Linux的中断响应和处理4.ARM-Linux系统调用5.系统的启动和初始化...
第5章S7-300的组织块及中断处理第5章S7-300的组织块及中断处理电气工程学院电子信息工程系教学内容和要求内容:组织块的组成及分类、循...
第5章CSS样式及应用主要内容CSS样式的概念与作用CSS样式的格式规则及样式类型CSS样式设置与管理在网页设计与维护中应用CSS样式5.1C...
ARM嵌入式系统第5章XScale内核及PXA270处理器简介5.1XScale内核简介IntelXScale支持16位Thumb指令和DSP扩充指令。IntelPXA270微处理器芯片...
第第55章基础特征章基础特征本章导读本章内容理论学习在Pro/E4.0中,零件的基础特征指由经二维截面经过拉伸、旋转、扫描和混合等方...
第五章信息化教学设计及模式情景一:在某大学的校园里:期末考试结束之后,两位同学一起走出教室:甲:唉!这个学期总算熬过去了,尤其是这...
任向民王克朝宗明魁编著清华大学出版社微机接口技术实用教程(第2版)高等院校信息技术规划教材第5章串行接口5.1串行通信基本概念5.1.1传输...
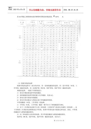
第第55章受弯构件裂缝宽度和挠度验算章受弯构件裂缝宽度和挠度验算给水排水工程构筑物结构设计规范(GB50069-2002)条文对正常使用极限状态...

