湖南省2016 年电气工程师:接插件考试题 一、单项选择题(共 2 5 题,每题2 分,每题的备选项中,只有 1 个事最符合题意) 1、对...
DG1000-2P 接插件 LED 显示屏/LED 显示屏散件/P10 半户外/16P 排线压头 FC-16P 接插件 接插件 2.54 间距 2*40P 双排针 双排...
VDE619842002接插件安全要求和试验
USCAR20线束接插件实验标准
116 SOLIDW ORKS 钣金建模-接插件 在钣金零件中对有圆弧的折弯如何处理和折弯后如何加上凹槽。这是本实体要解决的重点。我们知道由于软...
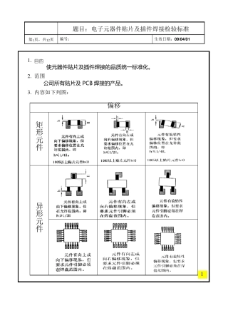
题目:电子元器件贴片及插件焊接检验标准 第1页,共12页 编号: 生效日期:09/04/01 1. 目的 使 元 器 件 贴 片 及 插 件 ...
04.935201100汽车用电线束接插件标准
用于接插件最理想的高性能工程塑料—聚苯硫醚Most perfect engineering plastic with high performance -PPS上海忠茂国际贸易有限公...
题目:电子元器件贴片及插件焊接检验标准第1页,共4页编号:生效日期:09/04/011.目的使元器件贴片及插件焊接的品质统一标准化。2.范围公司...
控制系统接插件失效机理分析及防范措施摘要:本文介绍了几种常见控制系统接插件失效现象,通过对失效机理分析解剖,提出了防范措施,最后就...
二、学习重点二、学习重点各种接触件的特点及使用各种接触件的特点及使用三、学习难点三、学习难点常见继电器的使用常见继电器的使用第八...
文档素材1.目的使元器件贴片及插件焊接的品质统一标准化。2.范围公司全部贴片及PCB焊接的产品。3.内容如下列图:偏移矩形元件异形元件1文档...
开关与接插件继电器课件•开关基础知识•开关的应用与选型CONTENCT录•接插件的应用与选型•继电器的应用与选型•开关与接插件继电器的测试...
第1页共5页编号:时间:2021年x月x日书山有路勤为径,学海无涯苦作舟页码:第1页共5页各式接插件模具设计制造各類塑膠成型射出模具設計製造...
第1页共5页编号:时间:2021年x月x日书山有路勤为径,学海无涯苦作舟页码:第1页共5页用于接插件最理想的高性能工程塑料—聚苯硫醚Mostperf...
附件2:一级采购物资供应商现场考察方案模板2013年集团公司仪器接插件供应商现场考察方案综合考察□专项考察□中国石油仪器接插件供应商现...

