电脑桌面
添加小米粒文库到电脑桌面
安装后可以在桌面快捷访问

电子元器件贴片及接插件焊接检验标准VIP免费

电子元器件贴片及接插件焊接检验标准_第1页
1/11
电子元器件贴片及接插件焊接检验标准_第2页
2/11
电子元器件贴片及接插件焊接检验标准_第3页
3/11
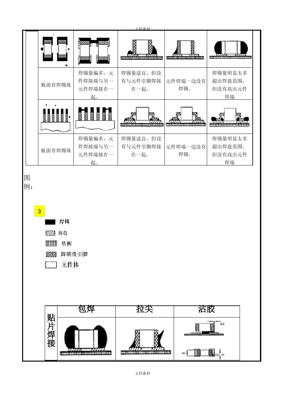
文档素材1.目的使元器件贴片及插件焊接的品质统一标准化。2.范围公司全部贴片及PCB焊接的产品。3.内容如下列图:偏移矩形元件异形元件1文档素材文档素材翘起立起矩形元件异形元件212接焊片焊锡珠贴短路虚焊漏焊多锡文档素材文档素材焊锡量偏多,元焊锡量适宜,但没板面有焊锡珠件焊接端与另一有与元件引脚焊接元件焊端一边没有焊锡。元件焊端接在一在一起。起。焊锡量明显太多超出焊盘范围,但没有高出元件焊端焊锡量偏多,元焊锡量适宜,但没板面有焊锡珠件焊接端与另一有与元件引脚焊接元件焊端一边没有焊锡。元件焊端接在一在一起。起。焊锡量明显太多超出焊盘范围,但没有高出元件焊端图例:3包焊拉尖沾胶贴片焊接文档素材文档素材焊锡量明显太多,超出焊盘范围,且高出元件焊端。焊接有拉尖现象。焊盘有沾胶现象,但必须在规定范围内:h1≤0.2mmh≤1/4H焊锡量明显太多,超出焊盘范围,且高出元件焊端。焊接有拉尖现象。少锡0805以下贴片矩形元件h<1/3H判定为少锡.1005贴片矩形元件h<1/4H判定为少锡.H>2mm以上贴片矩形元件.h<0.5mm判定为少锡.4电容文档素材文档素材电阻、电感、二极管5三极管、三端集成块连接器集成块文档素材文档素材6文档素材文档素材元件引脚长度—单面板元件引脚长度—双面板元件引脚长度—双面有元件插件元件引脚弯度焊锡量—单面板焊锡量—双面板7文档素材文档素材焊锡珠短路虚焊漏焊板面有焊锡珠焊锡量偏多,元件引脚与焊锡量适宜,但没有另一元件引脚焊接在一与元件引脚焊接在一元件焊盘没有焊锡。起。起。多锡包焊拉尖焊锡珠插焊锡量明显太多,已焊锡量明显太多,元件引焊锡量偏多,有拉尖基板双面有焊锡珠。件超出焊盘范围。脚被包住。现象。焊偏焊假焊针孔断裂接电路板对应丝印识别:焊锡在元件引脚周围焊锡与元件引脚接触,但焊点中有细孔。不均匀,一边有少锡基板过孔位置处没有焊现象。锡,剩余空间太大。焊锡量适宜,但元件引脚会松动,有断裂现象结晶8焊点外表凹凸不平文档素材文档素材电路板焊接一、焊接流程1、焊接开始前,整理好桌面及周边环境,为电路焊接工作打算一个有条理、整洁的环境。2、仓库领料,并依据元件明细表核对物料,确保物料正确无误,遇到生疏元件及时向相关负责人询问。3、依据元件明细表进行电路板焊接。4、电路板焊接完成后,依据元件明细表核对元件,以保证无错焊、虚焊、漏焊、假焊、桥接。特别是确认多引脚元件和有极性元件焊接正确。同样重要的是检查和优化焊点,一块合格的电路板是焊点光滑、过渡均匀、无毛刺、元件排列齐整美观。文档素材文档素材二、对焊接点的根本要求1、焊点要有足够的机械强度,保证被焊件在受振动或冲击时不致脱落、松动。不能用过多焊料堆积,这样简单造成虚焊、焊点与焊点的短路。2、焊接可靠,具有良好导电性,必须预防虚焊。虚焊是指焊料与被焊件外表没有形成合金结构。只是简单地依附在被焊金属外表上。3、焊点外表要光滑、清洁,焊点外表应有良好光泽,不应有毛刺、空隙,无污垢,尤其是焊剂的有害残留物质,要选择适宜的焊料与焊剂。三、焊接技术1、手工焊接的根本操作方法①焊前打算,打算好电烙铁以及镊子、剪刀、斜口钳、尖嘴钳、焊料、焊剂〔我们这里是指焊锡丝,以下通指焊锡丝〕等工具,将电烙铁及焊件搪锡,左手握焊料,右手握电烙铁,保持随时可焊状态。②用烙铁加热备焊件。③送入焊料,熔化适量焊料。④移开焊料,当焊料流动覆盖焊接点,迅速移开电烙铁。2、电子元器件焊接的顺序是由小到大,由低到高3、元器件焊接考前须知:1〕批量将同侧的一端焊盘镀上适量焊锡〔仅适用于贴装元器件〕。2〕依据文件规定的元器件方向,正确焊接在镀锡焊盘上。3〕批量焊接元件另一端。4〕修复优化焊点,并做清理工作。5〕上述元器件,单个引脚焊接时间在保证焊接质量的前提下,一般1.5-4秒,以预防烫坏焊盘和元器件〔对于比拟大的元器件如:保险铜件、片形插头等焊接时间4-6秒〕。6〕元器件的拆焊可用吹锡机将所需拆卸的元器件吹离,再用良品补充即可。4、电路板后期处理①依据文件检查元器件位置、方向是否焊接正确。②优化修复焊点,确认全部元件焊点光滑无毛刺、无漏焊、无虚焊、无...

1、当您付费下载文档后,您只拥有了使用权限,并不意味着购买了版权,文档只能用于自身使用,不得用于其他商业用途(如 [转卖]进行直接盈利或[编辑后售卖]进行间接盈利)。
2、本站所有内容均由合作方或网友上传,本站不对文档的完整性、权威性及其观点立场正确性做任何保证或承诺!文档内容仅供研究参考,付费前请自行鉴别。
3、如文档内容存在违规,或者侵犯商业秘密、侵犯著作权等,请点击“违规举报”。

碎片内容

电子元器件贴片及接插件焊接检验标准

您可能关注的文档

爱的疯狂+ 关注
实名认证
内容提供者

该用户很懒,什么也没介绍

确认删除?
VIP
微信客服
  • 扫码咨询
会员Q群
  • 会员专属群点击这里加入QQ群
客服邮箱
回到顶部