康复科合作协议甲方: (以下简称为甲方)乙方: (以下简称为乙方) 为了响应国家号召,根据国务院关于鼓舞和引导民间投资健康进展的若干...
一、康复科主任职责 1.在院长领导下,负责本科的医疗、护理、教学、科研、预防、行政管理及组织名老中医经验的继承整理工作。不断提高医...
余干东方医院康复科 2024 年度目标管理方案 在医院院务会的领导和监督下,坚持全面、全员、全过程、全方位的科室管理思路,切实履行《东...
康复医学医疗质量管理一、医疗质量监督管理制度(一)目的提高医疗技术水平,提高医疗服务质量,更好地为患者提供医疗服务。(二)任务由主任...
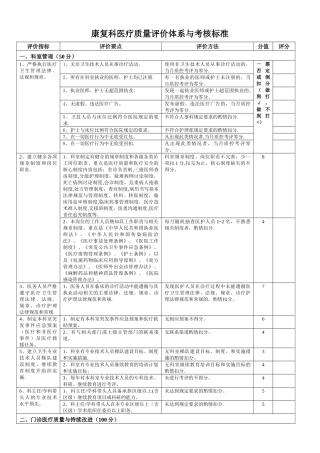
康复科医疗质量评价体系与考核标准评价指标评价要点评价方法分值评分一、科室管理(50 分)1、严格执行医疗卫生管理法律、法规和规章。1、...
康复科工作制度1。严格遵守医院各项规章制度和各项操作规程,执行医院休、请假、奖金发放等制度,工作时间不准擅自离岗、吸烟、打闹、喧哗。...
康复科医师会诊制度为了切实贯彻医院有关会诊的管理规定,执行相关医疗制度和法规,提高医疗服务水平和质量,减少医疗纠纷,特制定康复医学科...
附件 1 康复治疗评定系列——功能大体评定(GAF)量表附件 2 康复治疗评定系列——(ADL)改良 Barthel 指数附件 3 病人入院护理评...
康复治疗计划单姓名 性别 年龄 职业 病程 床号 诊断病史摘要和存在的主要功能障碍康复目标治疗安排(治疗种类、治疗部位、治疗方法和...
康复治疗技术考试试卷班级 姓名 分数一、名词解释(本大题共 5 小题,每小题 4 分,共 20 分)1、脑性瘫痪:指小儿出生前至出生后...
康复理疗师岗位职责1、注意观察病情及治疗反应,如有反应应及时处理,并尽快与临床医师联系;2、负责病人检诊,做好疗后总结工作;3、严格遵...
康复理疗合作协议书甲方乙方甲乙双方本着共同进展,相互合作、优势互补、互惠互利的原则,决定由乙方提供部分资金、技术,甲方开展康复理疗...
康复治疗质量管理与持续改进评审路径(49-50 页)(10 分)编号对应评审要素资料名称或项目资料内容被检查科室询问个人实地查看评分标准扣分...
基础知识一、以下每道题目有 A,B、C、D、E 五个备选答案,请从中选择一个最佳答案,并在答题卡上将相应题号的相应字母所属的方框涂黑。1....
康复治疗训练过程中的记录法律规范、诊断标准与流程以《综合医院康复医学科建设与管理指南》、《综合医院康复医学科基本标准》及儿童康复科...
河北北方学院附属第二医院功能康复处方姓名: 性别: 年龄: 病床号: 病案号:诊断: 病程天康复评定结果改良 Barthel 指数评分NIH...
华中科技大学同济医学院附属梨园医院湖北省工伤康复中心治疗记录单姓名:性别: 年龄:科室:床号:病案号:临床诊断:病情摘要:主要问题:...
xx 医院康复医学科康复治疗评定表病案号:床号: 姓名:_______ 性别:______ 年龄:_______ 职业:________ 联系电话:_________诊断...
儿童康复中心老师个人工作总结 我在心语孤独症儿童康复中心工作一个月了,原来这一个月也不象想象的那么艰难 我竭尽自己最大的努力,倾注...
三年制(大专)中医康复保健专业教学计划一、招生对象与学制 招生对象:高中、中专毕业生 学 制:全日制三年二、培育目标本专业培育德智体...

