一、单项选择题(共25题,每题2分,每题的备选项中,只有1个事最符合题意)1、主要负责调查生产经营单位和相关部门在安全生产管理、安全培...
装修拆除施工方案第1章编制依据1.1现行国家规范及行业标准1.2业主提供资料本楼层原始建筑结构设计说明及图纸。1.3现场实际情况结合图纸对现...
模板拆除模板拆除工程检验批质量验收记录(Ⅲ)工程名称编号02-01-B123-004分项工程名称模板验收部位施工单位项目负责人施工员分包单位项目...
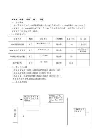
关键词:设备拆除施工吊装一、工程概况1、本工程主要设备有16m数控折弯机一台(由2台联动作业)、250吨冲床一台、500吨四柱液压机一台、300...
模板拆除工程检验批质量验收记录表01060101020101单位(子单位)工程名称食品有限公司B标段综合楼分部(子分部)工程名称主体结构验收部位1...
设备设施验收、拆除、报废管理制度1目的设备设施安全管理工作必须坚持“安全第一,预防为主”的方针;必须坚持设备与生产全过程的系统管理方...
一、编制原则和依据一、施工组织设计的编制原则从实际出发,在确保人身和财产安全的前提下,选择经济、合理、扰民小的拆除方案,进行科学的...
工程施工电梯安装和拆除目录一、简述..................................................................1二、施工电梯构造................
目录一、工程概况.................................................1二、技术措施.................................................1三...
6、施工组织设计第一节、工程概况1、概况工程名称:工程实施地点:工程预算价:工期:120日历天;标段划分:1个标段;承包方式:固定总价承...
脚手架搭设拆除安全专项施工方案一.工程概况1.1工程简介本工程位于如东县洋口沿海经济开发区,主要施工项目储罐油漆防腐工程。根据该工程...
目录1、工程概况..................................................................................................................2...
220kV增列线铁塔拆除施工作业指导书目录1编制说明.......................................................................................
目录一、主要施工工艺.......................................................11、桥面铺装破除..........................................
钢雨篷拆除方案一、概述钢雨篷位于东栋西立面1#、2#楼之间,拆除项目主要为东栋西立面钢结构雨篷,面积186.97㎡(长30.65m,宽6.10m),雨...
上海酒钢大酒店装饰装修工程拆除工程专项施工方案目录目录......................................................2第一章、编制依据........
水闸拆除重建工程旧闸拆除专项方案目录一.工程概况--------------------------------1二.拆除项目--------------------------------1三.拆...
梁场龙门吊安装及拆除工程安全专项方案目录第一章编制说明...............................................................................
活动板房搭设、拆除专项安全技术交底书单位名称:重庆对外建设(集团)有限公司工程名称江南水岸公租房七组团交底日期施工单位重庆对外建设...
目录一、工程概况二、施工组织三、施工前准备工作四、施工安全措施五、本施工危险点六、应急预案七、施工总结一、工程概况1、工程项目名称...

